EasyManua.ls Logo

Autronica BS-100 - Page 27

Autronica BS-100
30 pages
To Next Page IconTo Next Page
To Next Page IconTo Next Page
To Previous Page IconTo Previous Page
To Previous Page IconTo Previous Page
Loading...
Technical Documentation: Fire Detectors used in hazardous areas
P-DET/EX/RCE/PM5/GKa/110995 27 Autronica Fire and Security AS
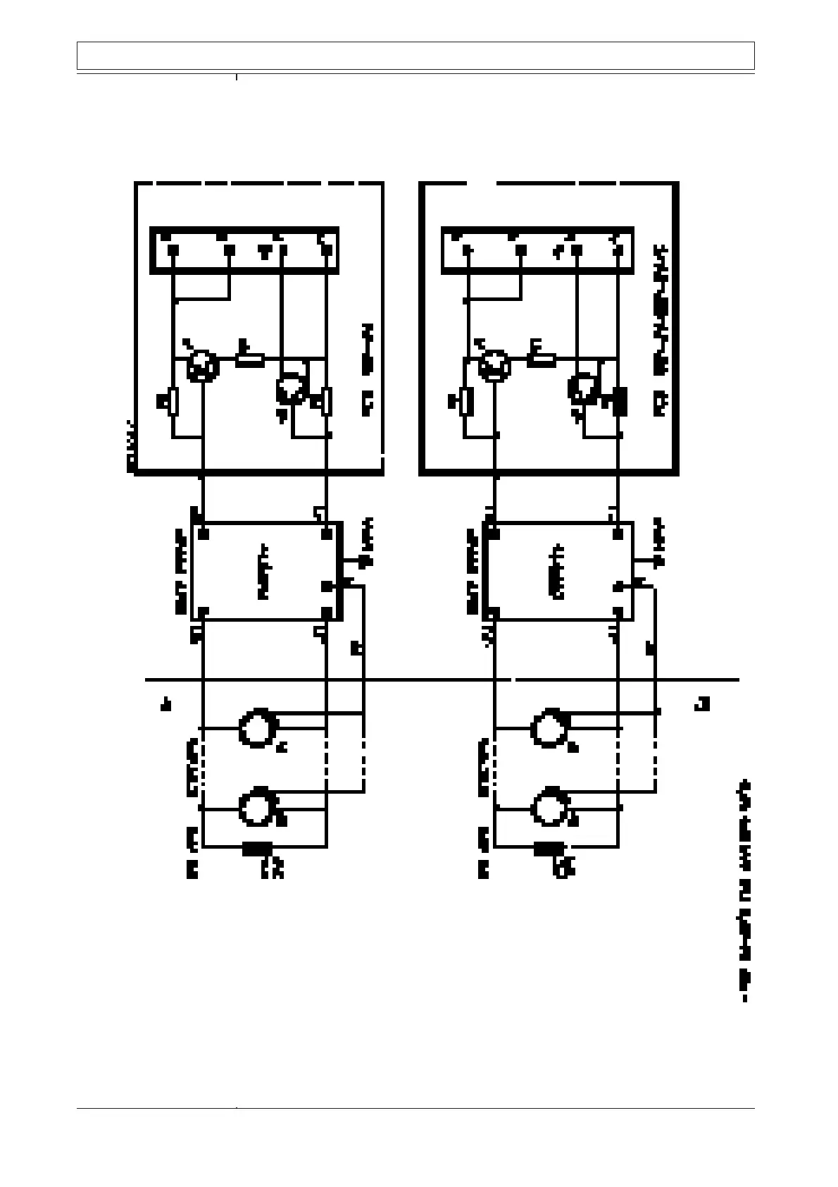
BZ-053A
FUNCTIONAL DIAGRAM
ZENER BARRIER UNIT
TYPE BZ-20/1-2s

Related product manuals