EasyManua.ls Logo

AV Link STA40-BT - Amplifier Features and Installation; Key Amplifier Features; Speaker Installation and Impedance

AV Link STA40-BT
6 pages
Print Icon
To Next Page IconTo Next Page
To Next Page IconTo Next Page
To Previous Page IconTo Previous Page
To Previous Page IconTo Previous Page
Loading...
103.108UK User Manual
A mini digital stereo amplifier capable of delivering up to a powerful 75W max. per speaker
output with very little distortion. Built-in Bluetooth™ connectivity makes this amplifier
incredibly easy to use and ideal for home multimedia. Also great for commercial installations
where there is confined space.
Class D digital amplifier in a compact unit
NFC technology allows simple tap and connect with Bluetooth™ devices
aptX® coding provides high definition, consistent audio streaming through Bluetooth™
Bluetooth™ device playlist can be control by supplied remote controller
NFC tag supplied allowing the connection to be in an alternate location to the amplifier
2 x RCA gold plated stereo line inputs
4 x gold plated binding post stereo output to speaker
3.5mm line output for active subwoofer or signal feed for other devices
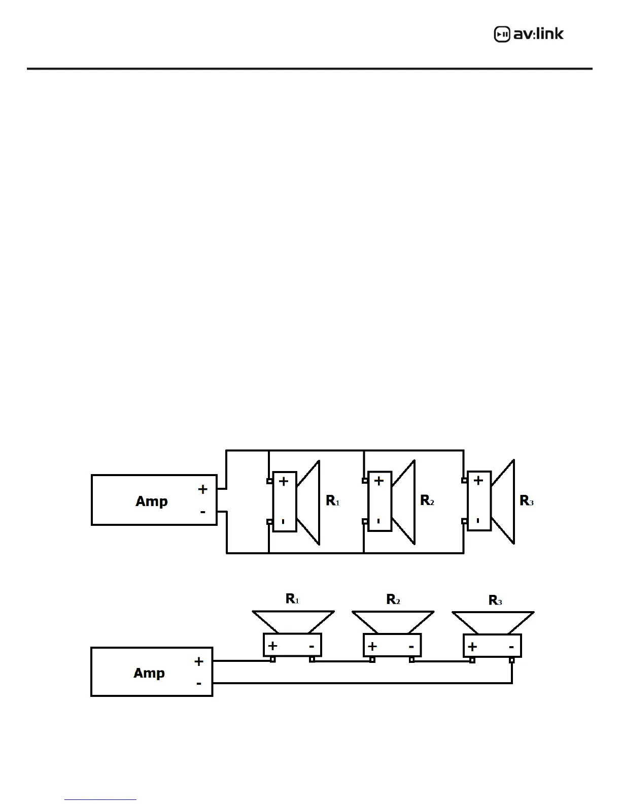
Installation
STA40-BT is capable of 8-16Ω impedence output. If more than one speaker is to be connected
to the amplifier per channel then please ensure total impedence of the speakers are within the
range.
The total impedence can be work out by the below formula:
Parallel Connection - 1/R
total
= 1/R
1
+ 1/R
2
+ 1/R
3
…….
Series Connection - R
total
= R
1
+ R
2
+ R
3
…….
Before connecting the speakers to the amp, please ensure the power is switched off and
power supply is removed from the mains to avoid damage to equipment and installer.