EasyManua.ls Logo

Aventics C-2 - Legend

Default Icon
6 pages
Print Icon
To Next Page IconTo Next Page
To Next Page IconTo Next Page
To Previous Page IconTo Previous Page
To Previous Page IconTo Previous Page
Loading...
Page 2
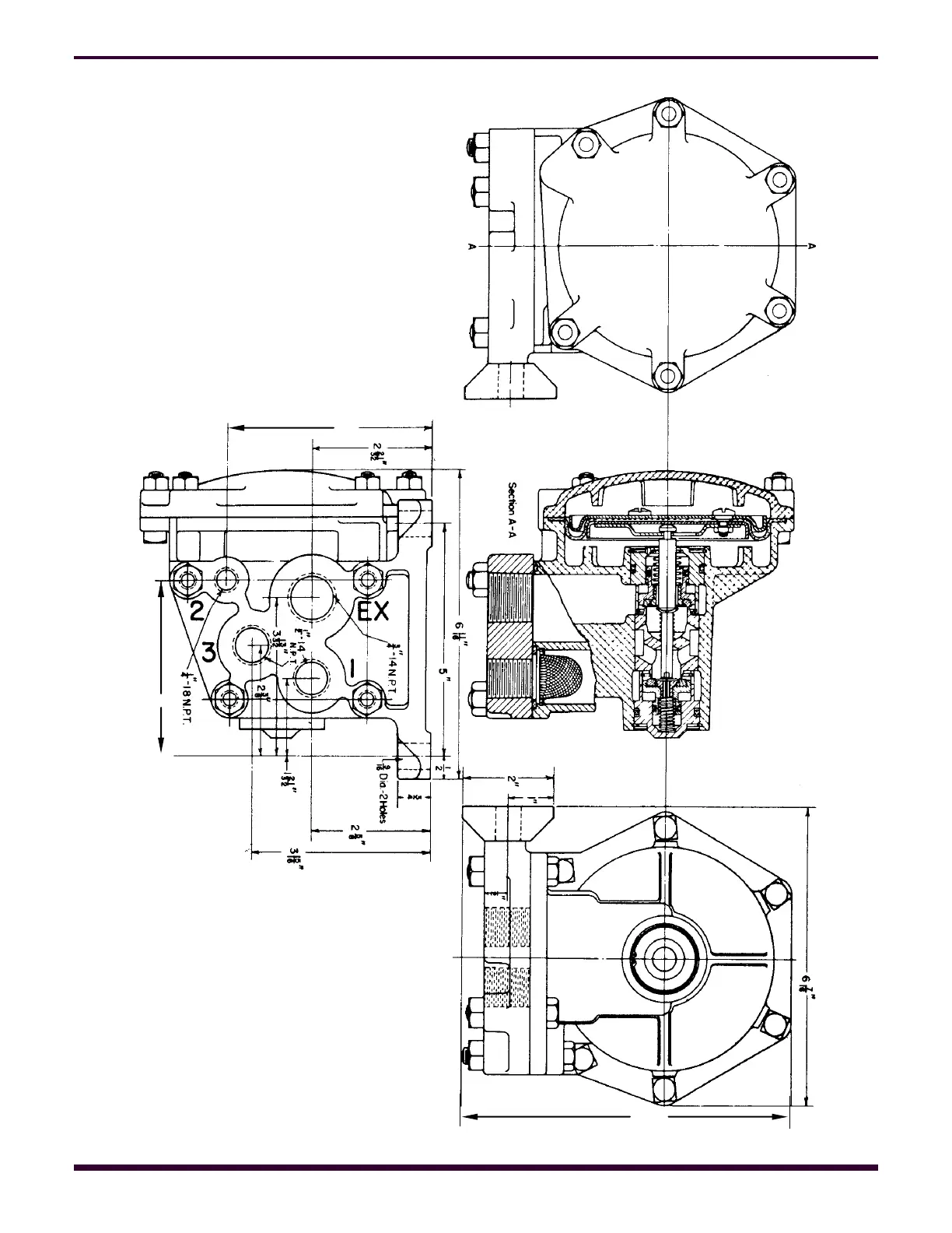
Legend
1Supply
2Control
3Delivery
Ex-Exhaust
Fig. 2 Outline View
4 17/32”
3 25/32”
7 ¼”

Related product manuals