EasyManua.ls Logo

Avery Dennison ALS 230 - Page 14

Avery Dennison ALS 230
85 pages
Print Icon
To Next Page IconTo Next Page
To Next Page IconTo Next Page
To Previous Page IconTo Previous Page
To Previous Page IconTo Previous Page
Loading...
Operators Manual
ALS 230
Release 11/05 Page 12 Description
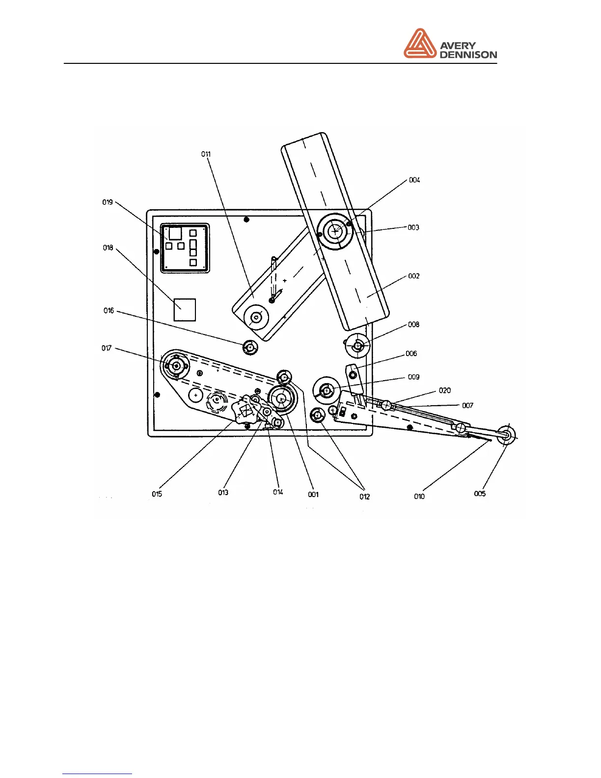
Figure 1 Dispensing mechanics
At the dispensing edge (010) the label is separated from the backing paper. By means of a soft
(005) roller the label is applied on to the product.
Roller (012) makes sure that the material is always guided properly around the dispensing
edge. Drive roller (001) keeps the transport speed of the material constant.
Deviator rollers (012) guide the backing material around the drive roller (001). The pressure
mechanics (013) press the backing paper against the drive roller (001).
With the handle (015) you may open and close the pressure mechanics (013) . When inserting
the material the pressure roller has to be opened.

Table of Contents

Related product manuals