EasyManua.ls Logo

AVL 9130 - Page 61

AVL 9130
114 pages
Print Icon
To Next Page IconTo Next Page
To Next Page IconTo Next Page
To Previous Page IconTo Previous Page
To Previous Page IconTo Previous Page
Loading...
55
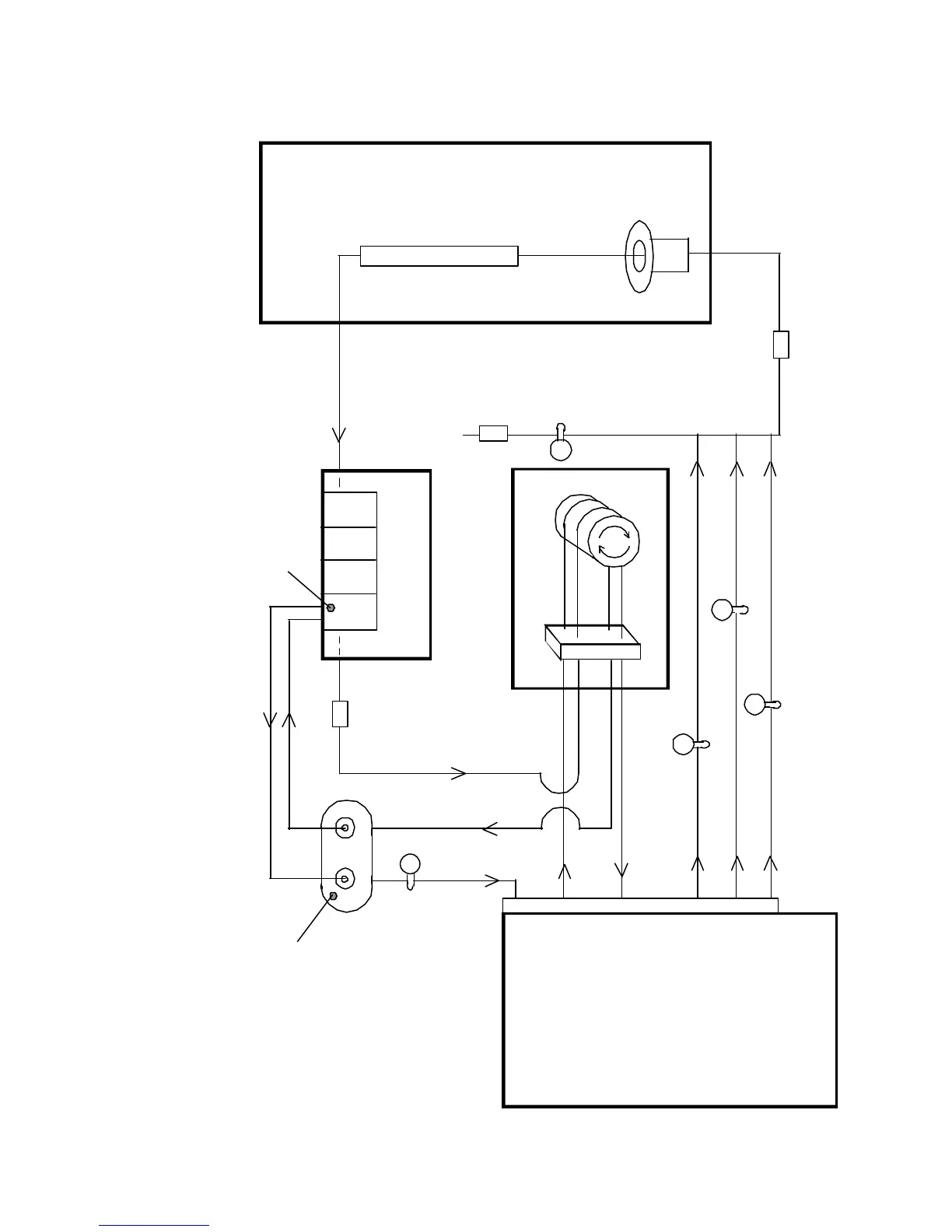
B
FLUID PACK
REF. RETURN
REF
WASTE
FLUID
CONNECTOR
PERI PUMP
FILLPORT
SAMPLE
PROBE
SAMPLE PROBE
ASSEMBLY
AIR VENT
ELECTRODE ASSY
REFERENCE
CONNECTOR
SOLENOID R
GREEN
REF
Na
K
BLUE
SOLENOID V
SOLENOID A
SOLENOID B
RED
YELLOW DOT
YELLOW DOT
SOLENOID C
C
A
Li
Cl
Ca
AVL 9180/9181 FLUIDIC DIAGRAM

Table of Contents

Related product manuals