EasyManua.ls Logo

Baja Performance 245 - Page 55

Default Icon
82 pages
Print Icon
To Next Page IconTo Next Page
To Next Page IconTo Next Page
To Previous Page IconTo Previous Page
To Previous Page IconTo Previous Page
Loading...
245 Performance
®
6.5
Section 6 • electrical SyStemS
R
Speed changes you.
TM.
drive PumP w/ K-Plane trim taBS
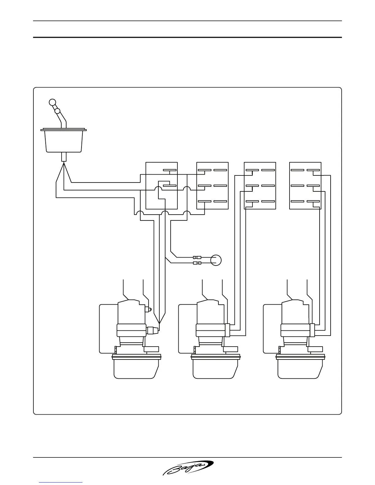
(fig. 6.5.1)
TRAILER TRIM
BLUE/WHITE
RED
GREEN/WHITE
TRAILER LIMIT
SWITCH
TO GROUND
BLOCK
TO 75 AMP
BREAKER
8 AWG
BLACK
8 AWG
RED
100
AMP
PORT TAB STBD TAB
14 AWG BLUE
14
A
WG RED
14 AWG GREEN
TO GROUND
BLOCK
TO 75 AMP
BREAKER
8 AWG
BLACK
8 AWG
RED
14
A
WG BLU
E
14 AWG RED
14 AWG GREEN
TO GROUND
BLOCK
TO 75 AMP
BREAKER
8 AWG
BLACK
8 AWG
RED
DRIVE PUMP PORT TAB PUMP STBD TAB PUMP
Note: This drawing contains information proprietary to Baja
Marine Corp. Any unauthorized disclosure, use, or reproduction is
expressly prohibited, unless written permission of Baja

Table of Contents

Related product manuals