EasyManua.ls Logo

Bakers Pride BCO-E - Page 11

Bakers Pride BCO-E
16 pages
Print Icon
To Next Page IconTo Next Page
To Next Page IconTo Next Page
To Previous Page IconTo Previous Page
To Previous Page IconTo Previous Page
Loading...
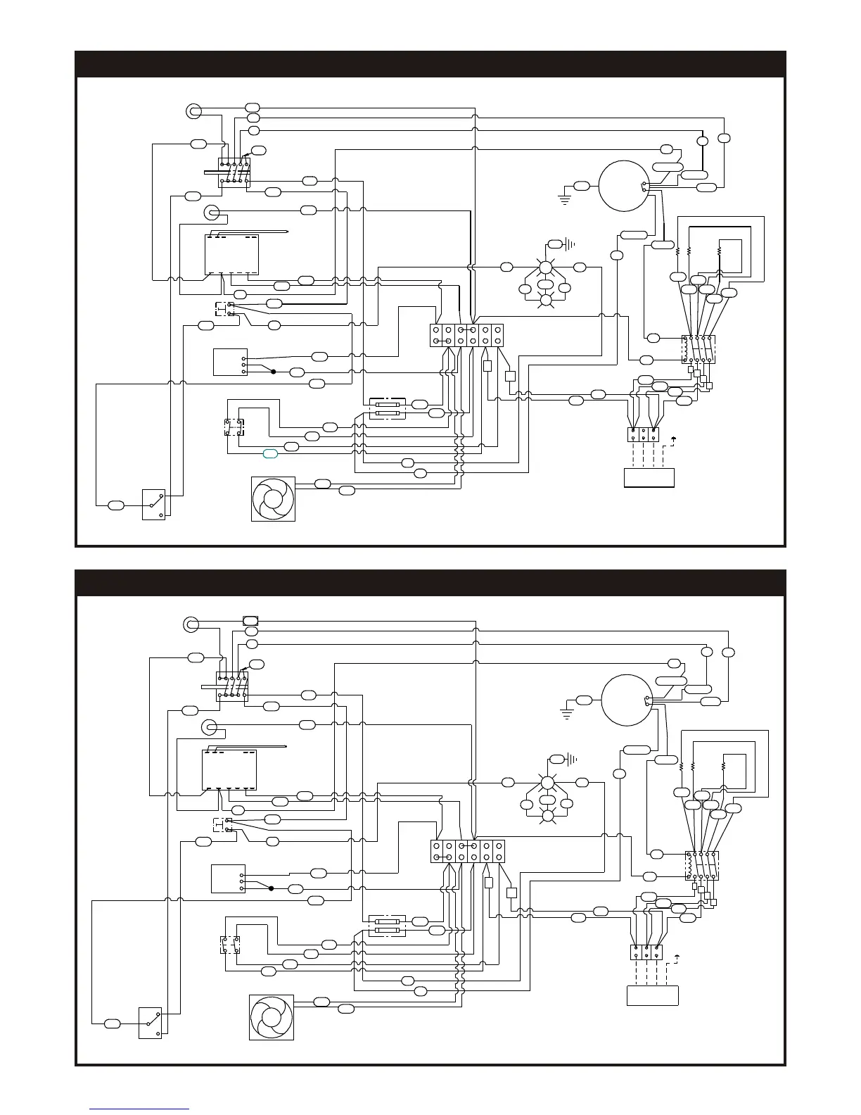
Wiring Diagram - BCO-E & GDCO-E 208V/240V, 1 Phase (Dial Control)
Wiring Diagram - BCO-E & GDCO-E 208V/240V, 3 Phase (Dial Control)
E.
11
P/N 8806655
P/N 8806650
BLUE
PURPLE
WHITE
BLACK
RED
TIMER
MOTOR
BUZZER
COIL
COMMON
TIMER\BUZZER
19
49
48
47
46
45
3
6
23
FUSE
BOX
AMBER PILOT LIGHT
GREEN POWER
LIGHT
2 SPEED
1725/850
4 POLES, 40 AMPS
CONTACTOR
MOT
29
29
28
30
27
23
24
26
25
21
22
44
43
COOLING
FAN
T1T2
T5
T3T4
PROBE
T7 T11T10T9
37
36
34
33
35
32
42
41
39
38
8
7
69
18
2
1
4
10
9
4
1
2
3
5
11
12
13
16
17
14
15
A2
A1
T1 TO T2
T1 TO T4
T3 TO T2
L4
L3
L2
L1
L1 L3 L2
THREE PHASE
208/240V
GROUND
STUD
T'STAT RELAY
T8
T6
FRONT
ELEMENT
NC
NO
C
LIGHTS
THERMOSTAT
CENTRIFUGAL
SWITCH
CENTRIFUGAL SWITCH
L1
L2
COM
LOW
HIGH
POWER
LIGHT
PUSH
BUTTON
SWITCH
RTD
PROBE
BLUE
PURPLE
WHITE
BLACK
RED
TIMER MOTOR
BUZZER COIL
19
COMMON
49
48
47
46
45
3
6
23
FUSE BOX
AMBER PILOT LIGHT
GREEN POWER
LIGHT
2
SPEED
1725/850
4 POLES, 40 AMPS
CONTACTOR
MOT
29
29
28
30
27
23
24
26
25
21
22
44
43
COOLING
FAN
T1T2
T5
T3T4
PROBE
T7 T11
T10
T9
37
36
34
33
35
32
42
41
39
38
8
7
6
9
18
2
1
4
10
9
4
1
2
3
5
11
12
13
16
17
14
15
A2
A1
T1
TO
T2
T1
TO
T4
T3
TO
T2
L4
L3
L2
L1
L1 L3 L2
SINGLE PHASE
208/240V
GROUND
STUD
T'STAT RELAY
T8
T6
FRONT
ELEMENT
NC
NO
C
LIGHTSTHERMOSTAT
DOORS CLOSE TO
ACTIVATE SWITCH
TIMER\BUZZER
CENTRIFUGAL
SWITCH
CENTRIFUGAL
SWITCH
L1
L2
COM
LOW
HIGH
POWER
LIGHT PUSH
BUTTON SWITCH
RTD
PROBE

Related product manuals