EasyManua.ls Logo

Bard MC4002 - Controller Connections Diagram 26; W**HB;W**HC Series Heat Pumps - No Economizers and with Alarm Board & CB5000 Series Communication Board

Bard MC4002
61 pages
Print Icon
To Next Page IconTo Next Page
To Next Page IconTo Next Page
To Previous Page IconTo Previous Page
To Previous Page IconTo Previous Page
Loading...
Manual 2100-614K
Page 50 of 61
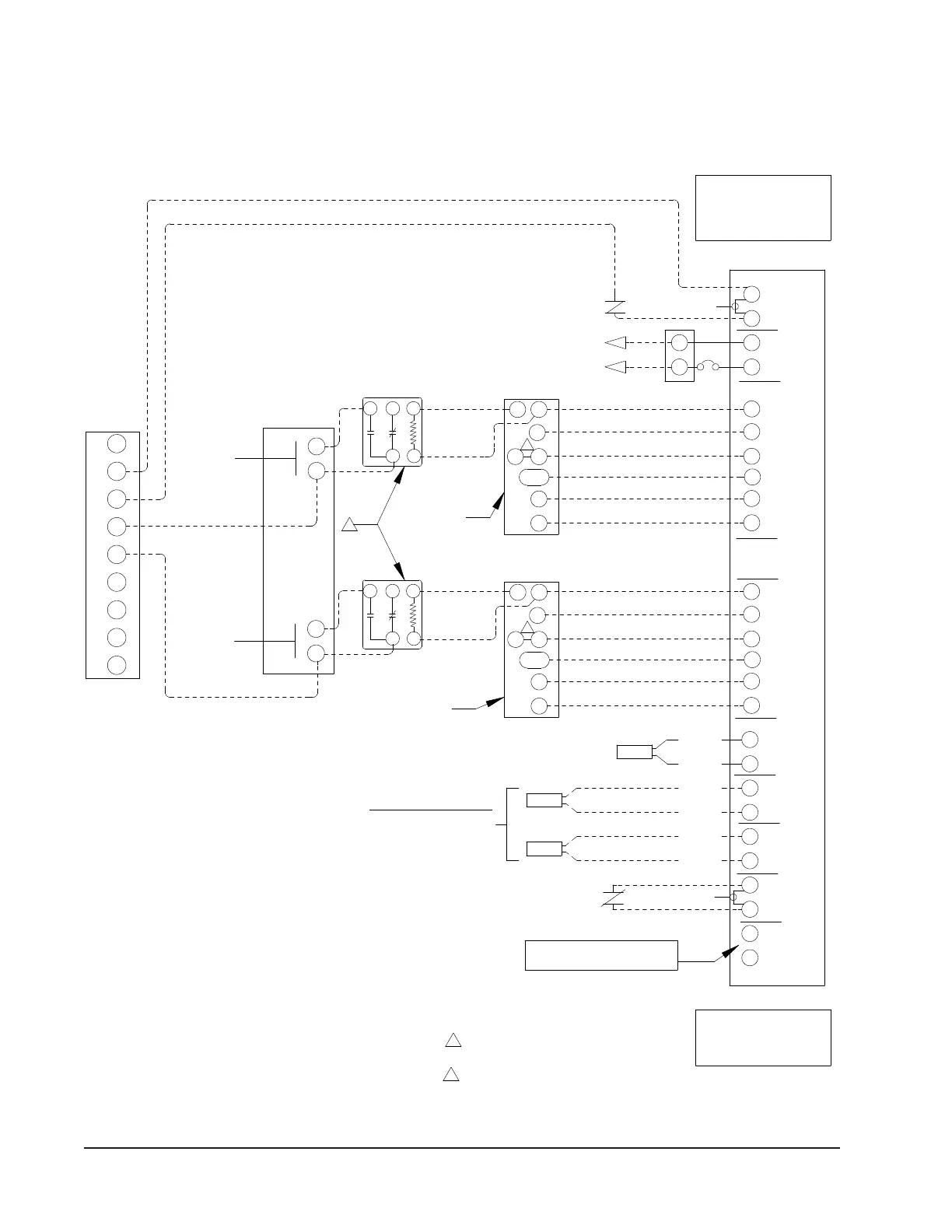
CONTROLLER CONNECTIONS DIAGRAM 26
W**HB/W**HC Series Heat Pumps – No Economizers
and with Alarm Board & CB5000 Series Communication Board
CB5000
1
NC
1-3
3
C
2
NO
3-3
A
U
X
L
O
C
K
O
U
T
2-3
D
A
M
P
E
R
3
12 5
4
3
1
2 5
4
B/W1
Y2
2
G
R
L
C
W2
Y1
B/W1
Y2
2
G
R
L
C
W2
Y1
3
2
NOTE: ALL SENSORS ARE
OPERATE ON DC POWER ONLY
UNIT 2
R
NOTE: DC BACK-UP POWER
JUMPER BETWEEN Y1 AND Y2 MUST BE IN PLACE
G
POLARITY SENSITIVE. COPPER
MIS-4288
LOCKOUT FEATURE OF ALARM BOARD
REQUIRED TO UTILIZE REFRIGERENT
FIELD INSTALLED 8201-062 RELAYS
CU
AG
G1
G2
H1
H2
AG
CU
AG
CU
LOCAL
REM 1
REM 2
GEN
HUMIDITY
SENSOR 12" LEADS
COPPER
SILVER
COPPER
SILVER
C
1
24V TERMINALS
HEAT PUMP #1
HEAT PUMP #2
24V TERMINALS
NUMBER 8612-023A
CONTROLLER
STANDARD LOCAL
35 FOOT TEMPERATURE
REMOVE JUMPER
REFRIGIRANT LOCKOUT
GENERATOR RUN ALARM
LOCKOUT 2
LOCKOUT 1
CB
F1
F2
+
CONNECTIONS FOR
2
3
CONNECTION
Y2
48 VDC
-
SENSORS, BARD PART
MUST BE CONNECTED AS SHOWN
COPPER
OR CONTROLLER WILL NOT
Y1
IS POLARITY SENSITIVE AND
CU, AND SILVER LEAD TO AG.
1
SILVER
LEAD MUST CONNECT TO
"NC" CONTACTS - OPEN ON ALARM
OPTIONAL ALARM BOARD
OPTIONAL FIELD INSTALLED
UNIT 1
REMOVE JUMPER
FIRE/SMOKE ALARM CIRCUIT
"NC" CONTACTS - OPEN ON ALARM
FIRE/SMOKE
OPTIONAL - 48 VDC
W
Y2
Y1
C
R
G
W
THIS FUNCTION IS NOT AVAILABLE
FOR HEAT PUMP APPLICATIONS
2
MC4000 series

Table of Contents

Related product manuals