EasyManua.ls Logo

Bartell B430 - Electric Power Trowel Wiring Diagram

Bartell B430
27 pages
Print Icon
To Next Page IconTo Next Page
To Next Page IconTo Next Page
To Previous Page IconTo Previous Page
To Previous Page IconTo Previous Page
Loading...
WALK BEHIND POWER TROWEL INSTRUCTION MANUAL
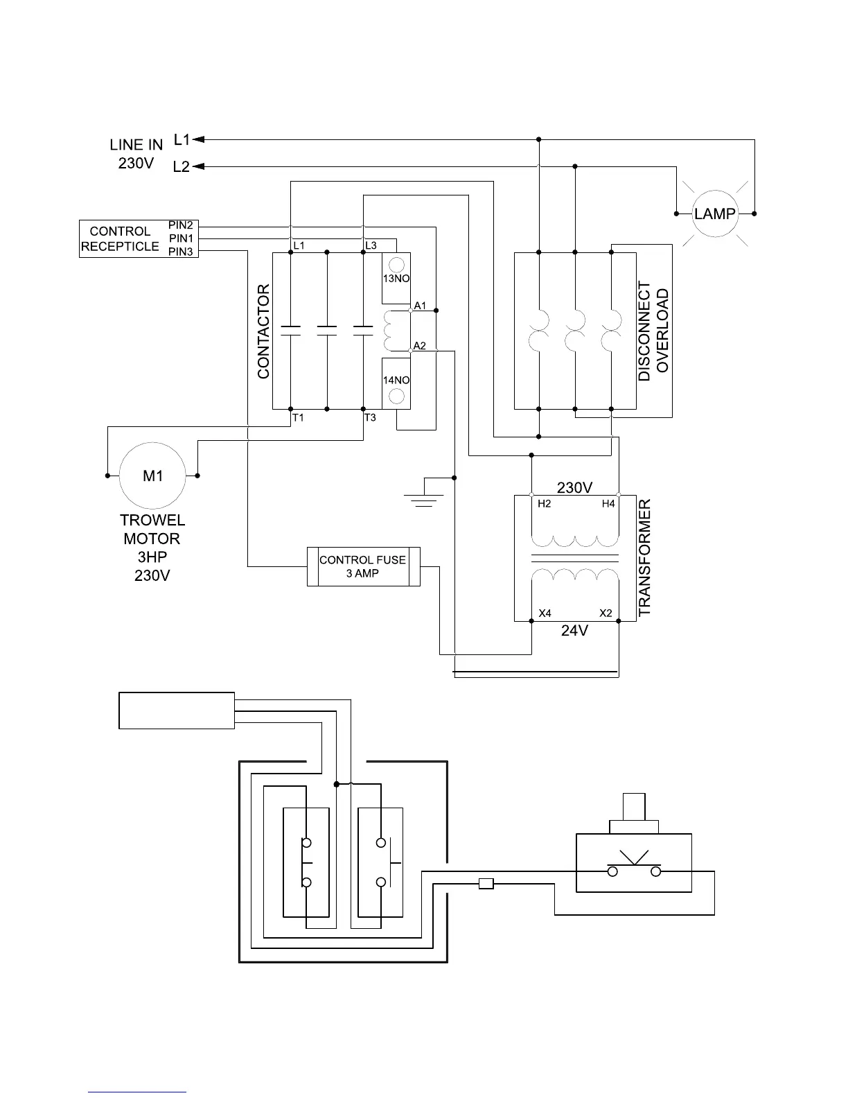
ELECTRIC POWER TROWEL WIRING DIAGRAM:
16
375 ANNAGEM BLVD., MISSISSAUGA, ONTARIO, CANADA L5T 3A7, 905-364-4200 FAX 905-364-4201
CREATED: 07/04
REVISED: 05/10
CONTROL BOX
PIN2
PIN1
PIN3
CONTROL
PLUG
SAFETY SWITCH
STOP
START
1 3
2 4
COM
NO
DEADMANOFF
G
W
BL
K
W
BL
K
BR
BL
06/13
375 ANNAGEM BLVD., MISSISSAUGA, ONTARIO, CANADA, L5T 3A7, 905-364-4200 FAX 905-364-4201
25 INDUSTRIAL DRIVE, KEYPORT, NEW JERSEY, USA, 07735, 732-566-6400 FAX 732-566-5444
18

Related product manuals