EasyManua.ls Logo

Barton 94023 - Automatic Self-Cleaning Program

Barton 94023
20 pages
Print Icon
To Next Page IconTo Next Page
To Next Page IconTo Next Page
To Previous Page IconTo Previous Page
To Previous Page IconTo Previous Page
Loading...
11
AUTOMATIC SELF-CLEANING PROGRAM
START THE SELF-CLEANING PROGRAM: After connecting all of the water pipe, plug on the main
power supply plug, then press “TIMER /CLEAN”button on control panel for more than 5 seconds,
to enter the Self-Cleaning program. And the “ ”symbol will always be on during this period, the left
digit will indicate the left time. The total duration time is 20 minutes for one self-cleaning program.
8. CANCEL THE SELF-CLEANING PROGRAM: It takes about 20 minutes to complete one self-cleaning
program. When the program is over, the system will be in standby mode automatically. And also you can
press the “ON/OFF” button on control panel to cancel the self-cleaning program by force.
How to Cancel Timer:
When the unit has a timing, the display window will display “XX H”, press TIMER button, the timing
is cancelled after the number on the screen and “H” are extinguished. When the unit has a timing, the
display area in the lower left corner will display the timing time and the ice making setting time and the
display content will be switched every 5S.
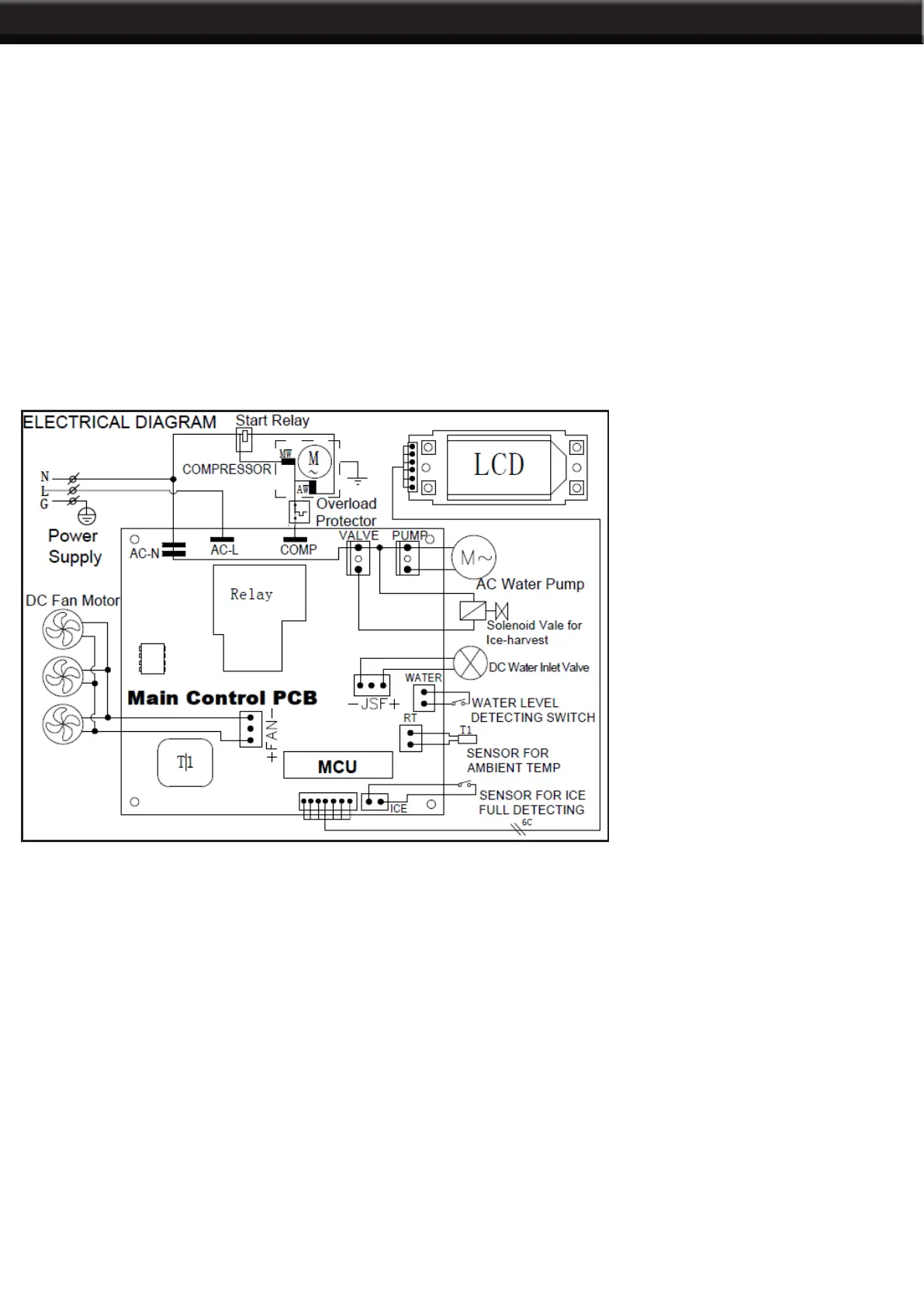
WIRING DIAGRAM
Your new ice maker may make sounds that are not familiar to you. Most of the new sounds are normal.
The following describes the kinds of sounds that might be new to you and what may be making them.
• You will hear a swooshing sound when the control valve opens to let water ow into the water tank for
each ice-making cycle.
• Rattling noises may come from the ow of the refrigerant or the water line. Items stored on top of the ice
maker can also make noises.
• The high-efciency compressor may make a pulsating or high-pitched sound.
• Water running from the water tank to the evaporator plate may make a splashing sound.
• Water running from the evaporator to the water tank may make a splashing sound.
As each cycle ends, you may hear a gurgling sound due to the refrigerant owing in your ice maker.
• You may hear air being forced over the condenser by the condenser fan. During the harvest cycle, you
may hear the sound of ice cubes falling into the ice storage bin.
• When you rst start the ice maker, you may hear water running continuously. The ice maker is
programmed to run a rinse cycle before it begins to make ice.
OPERATION

Related product manuals