EasyManua.ls Logo

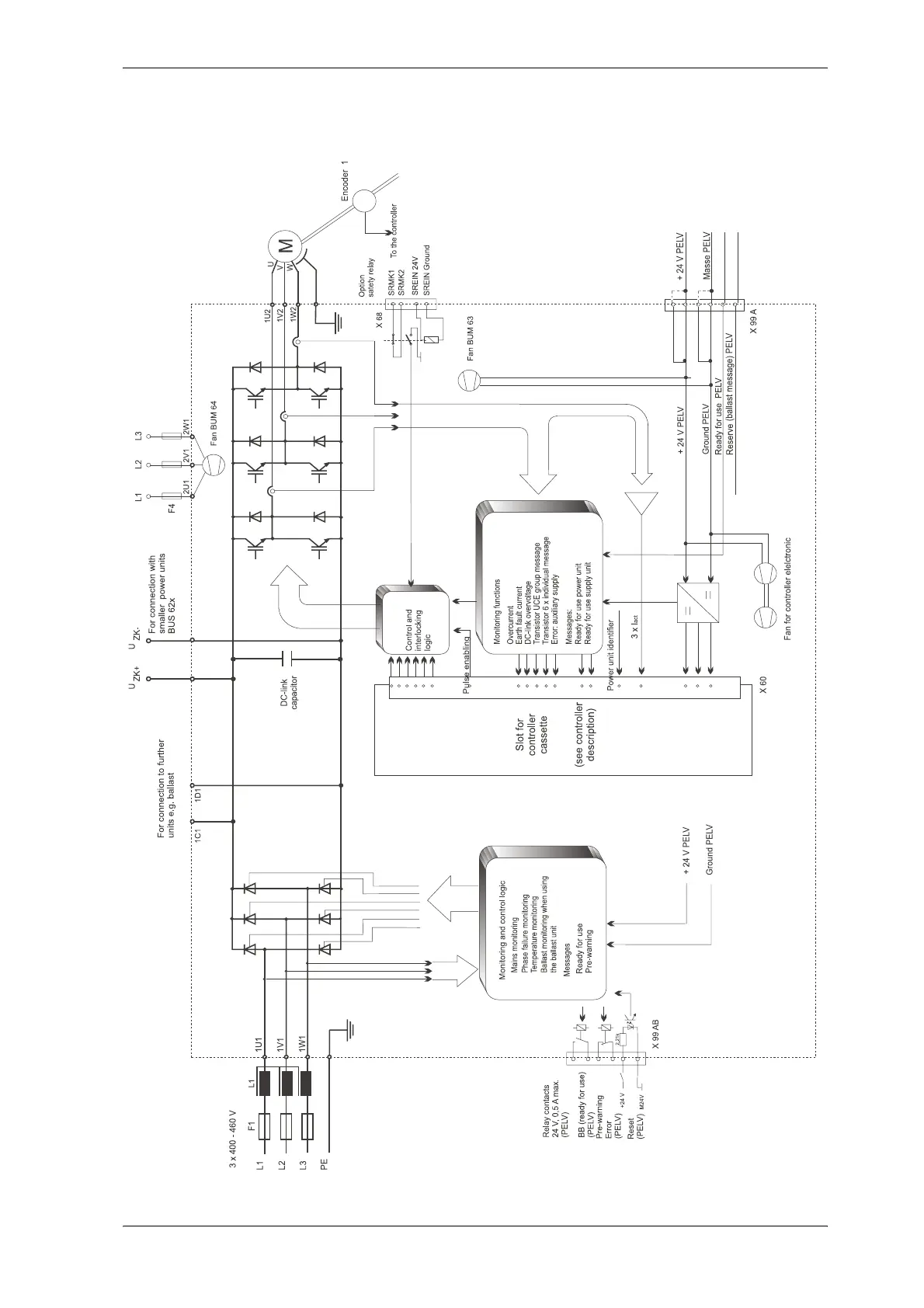
Baumuller BUM 63 - 2.1.3 Block diagram BUM 63;64

Baumuller BUM 63
74 pages
Print Icon
To Next Page IconTo Next Page
To Next Page IconTo Next Page
To Previous Page IconTo Previous Page
To Previous Page IconTo Previous Page
Loading...
Technical Data
Mono Power Unit BUM 62, 63, 64 11
Baumüller Nürnberg GmbH 5.94005.12
2.1.3 Block diagram BUM 63/64

Related product manuals