EasyManua.ls Logo

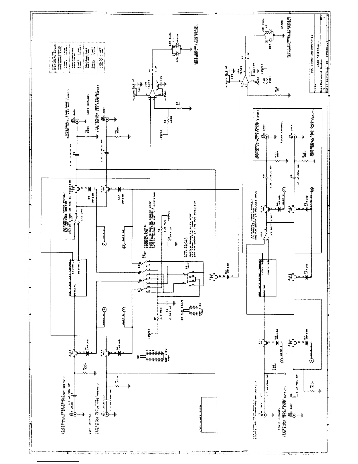
BBE Sonic Maximizer 1002 - Schematic Diagrams

BBE Sonic Maximizer 1002
15 pages
Print Icon
To Next Page IconTo Next Page
To Next Page IconTo Next Page
To Previous Page IconTo Previous Page
To Previous Page IconTo Previous Page
Loading...

Related product manuals