EasyManua.ls Logo

BBK DK1000S - Block Diagram

BBK DK1000S
42 pages
Print Icon
To Next Page IconTo Next Page
To Next Page IconTo Next Page
To Previous Page IconTo Previous Page
To Previous Page IconTo Previous Page
Loading...
Am29LV160D
PRODUCT SELECTOR GUIDE
Note: See “AC Characteristics” for full specifications.
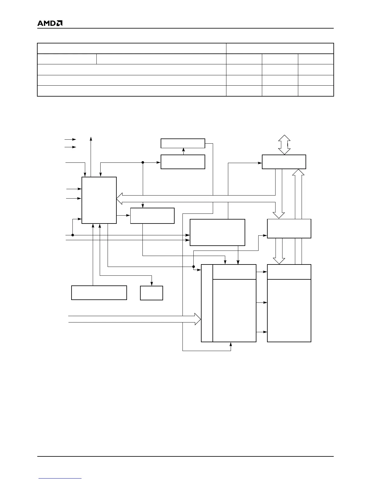
BLOCK DIAGRAM
Family Part Number Am29LV160D
Speed Option Voltage Range: V
CC
= 2.7–3.6 V -70 -90 -120
Max access time, ns (t
ACC
)7090120
Max CE# access time, ns (t
CE
)7090120
Max OE# access time, ns (t
OE
) 303550
Input/Output
Buffers
X-Decoder
Y-Decoder
Chip Enable
Output Enable
Logic
Erase Voltage
Generator
PGM Voltage
Generator
Timer
V
CC
Detector
State
Control
Command
Register
V
CC
V
SS
WE#
BYTE#
CE#
OE#
STB
STB
DQ0
DQ15 (A-1)
Sector Switches
RY/BY#
RESET#
Data
Latch
Y-Gating
Cell Matrix
Address Latch
A0–A19

Related product manuals