EasyManua.ls Logo

BBK DK1000S - Page 22

BBK DK1000S
42 pages
Print Icon
To Next Page IconTo Next Page
To Next Page IconTo Next Page
To Previous Page IconTo Previous Page
To Previous Page IconTo Previous Page
Loading...
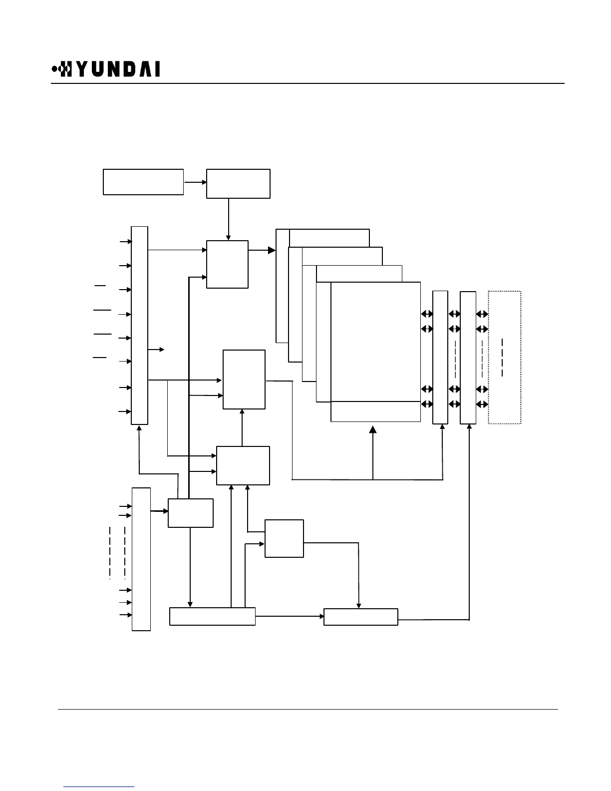
HY57V641620HG
FUNCTIONAL BLOCK DIAGRAM
1Mbit x 4banks x 16 I/O Synchronous DRAM
X decoders
State Machine
A0
A1
A11
BA0
BA1
Address buffers
Address
Registers
Mode Registers
Row
Pre
Decoders
Column
Pre
Decoders
Column Add
Counter
Row active
Column
Active
Burst
Counter
Data Out Control
CAS Latency
Internal Row
counter
DQ0
DQ1
DQ14
DQ15
refresh
Self refresh logic
& timer
Pipe Line Control
I/O Buffer & Logic
Bank Select
Sense AMP & I/O Gate
CLK
CKE
CS
RAS
CAS
WE
UDQM
LDQM
1Mx16 Bank 3
X decoders
X decoders
Memory
Cell
Array
Y decoders
X decoders
1Mx16 Bank 0
1Mx16 Bank 1
1Mx16 Bank 2

Related product manuals