EasyManua.ls Logo

BCS PowerSafe 749 PS - Page 32

Default Icon
73 pages
Print Icon
To Next Page IconTo Next Page
To Next Page IconTo Next Page
To Previous Page IconTo Previous Page
To Previous Page IconTo Previous Page
Loading...
30
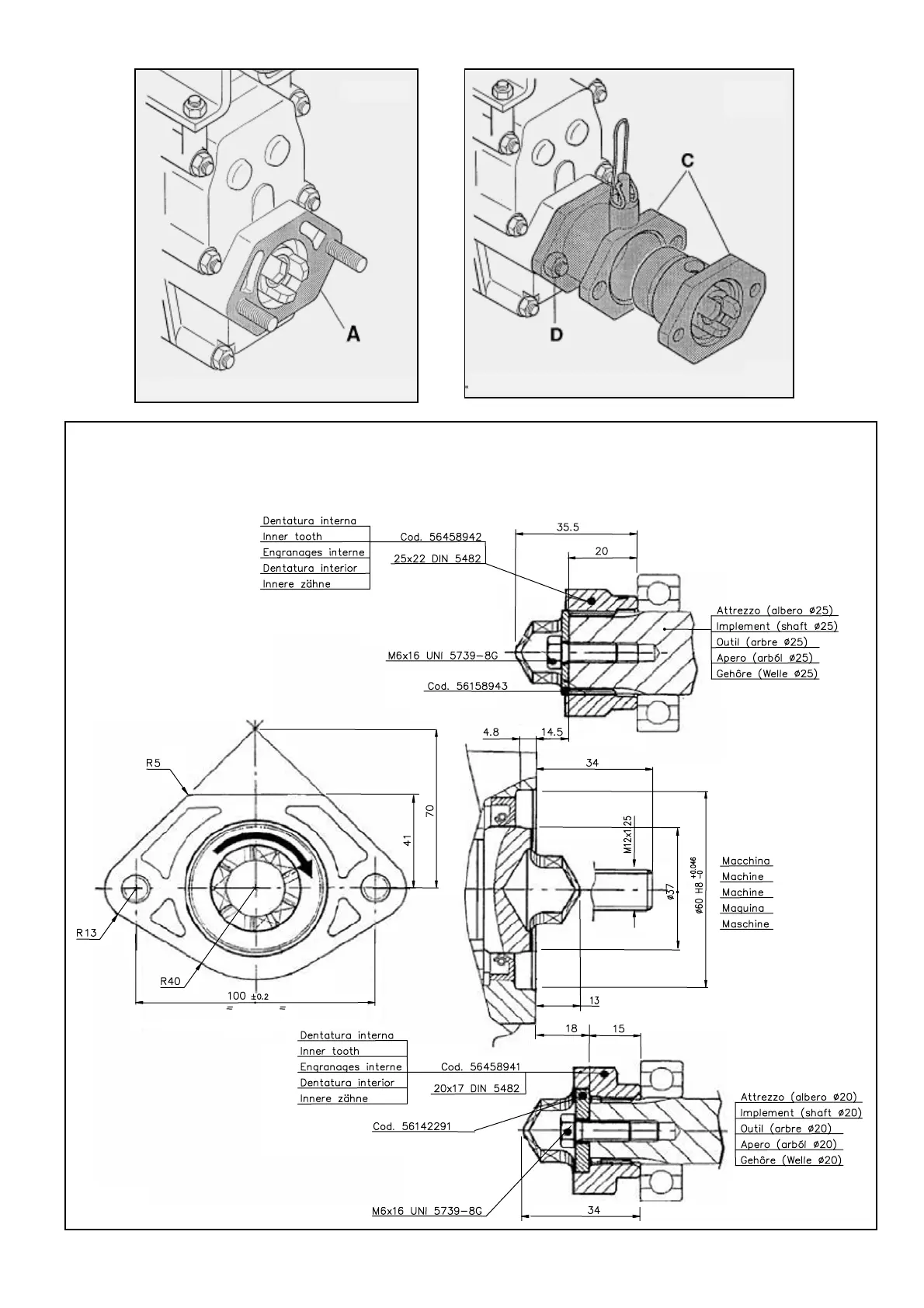
ROTAZIONE: DESTRA - ROTATION: RIGHT - ROTATION: DROITE - ROTACIÓN: DERECHA - DREHUNG: RECHT
GIRI DELLA PRESA DI FORZA - PTO's RPM - TOURS DE LA PRISE DE FORCE - GIROS DE LA TOMA DE FUERZA
DREHUNGEN DER ZAPFWELLE: 990 @ 3600/1'
Fig. 12
710 - 730 - 728 - 738 - 739 - 740 - 749
Fig. 13
710 - 730 - 728 - 738 - 739 - 740 - 749
fig.14

Related product manuals