EasyManua.ls Logo

Beechcraft Beech 95 2017 - Page 80

Beechcraft Beech 95 2017
87 pages
Print Icon
To Next Page IconTo Next Page
To Next Page IconTo Next Page
To Previous Page IconTo Previous Page
To Previous Page IconTo Previous Page
Loading...
Selkirk College IATPL Program Manual
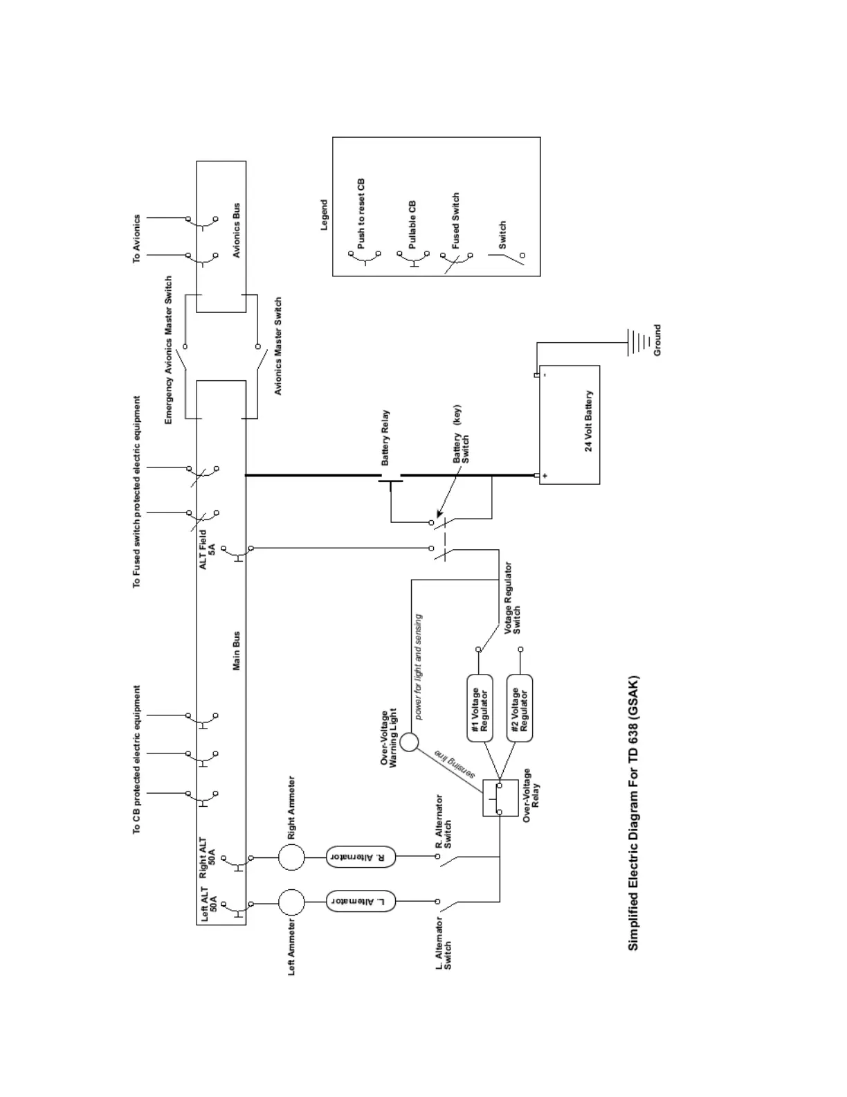
Beech 95 POH Effective September 1, 2005 Appendix 14 - 80

Table of Contents

Related product manuals