EasyManua.ls Logo

BEFCO CYCLONE - Page 44

BEFCO CYCLONE
52 pages
Print Icon
To Next Page IconTo Next Page
To Next Page IconTo Next Page
To Previous Page IconTo Previous Page
To Previous Page IconTo Previous Page
Loading...
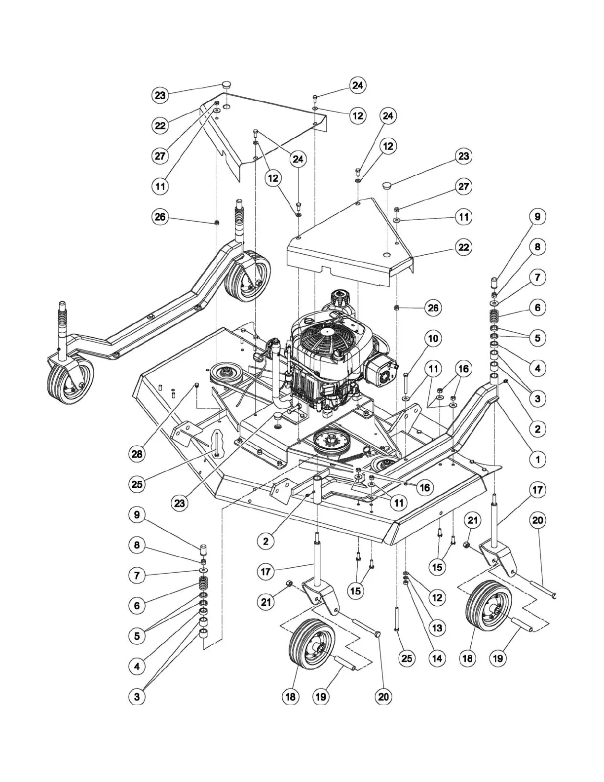
CYCLONE BELT SHIELDS & WHEEL ARMS OPERATORS MANUAL
C30-CE5H
P
ARTS MANUAL 44 BEFCO
0121

Related product manuals