EasyManua.ls Logo

BEFCO CYCLONE - Page 48

BEFCO CYCLONE
52 pages
Print Icon
To Next Page IconTo Next Page
To Next Page IconTo Next Page
To Previous Page IconTo Previous Page
To Previous Page IconTo Previous Page
Loading...
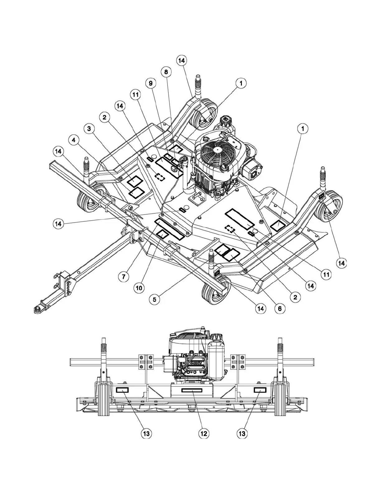
CYCLONE DECALS OPERATORS MANUAL
C30-CE5H
P
ARTS MANUAL 48 BEFCO
0121

Related product manuals