EasyManua.ls Logo

Behlen WRSJ - Hydraulic Schematic Diagram; Hydraulic System Components and Flow

Behlen WRSJ
14 pages
Print Icon
To Next Page IconTo Next Page
To Next Page IconTo Next Page
To Previous Page IconTo Previous Page
To Previous Page IconTo Previous Page
Loading...
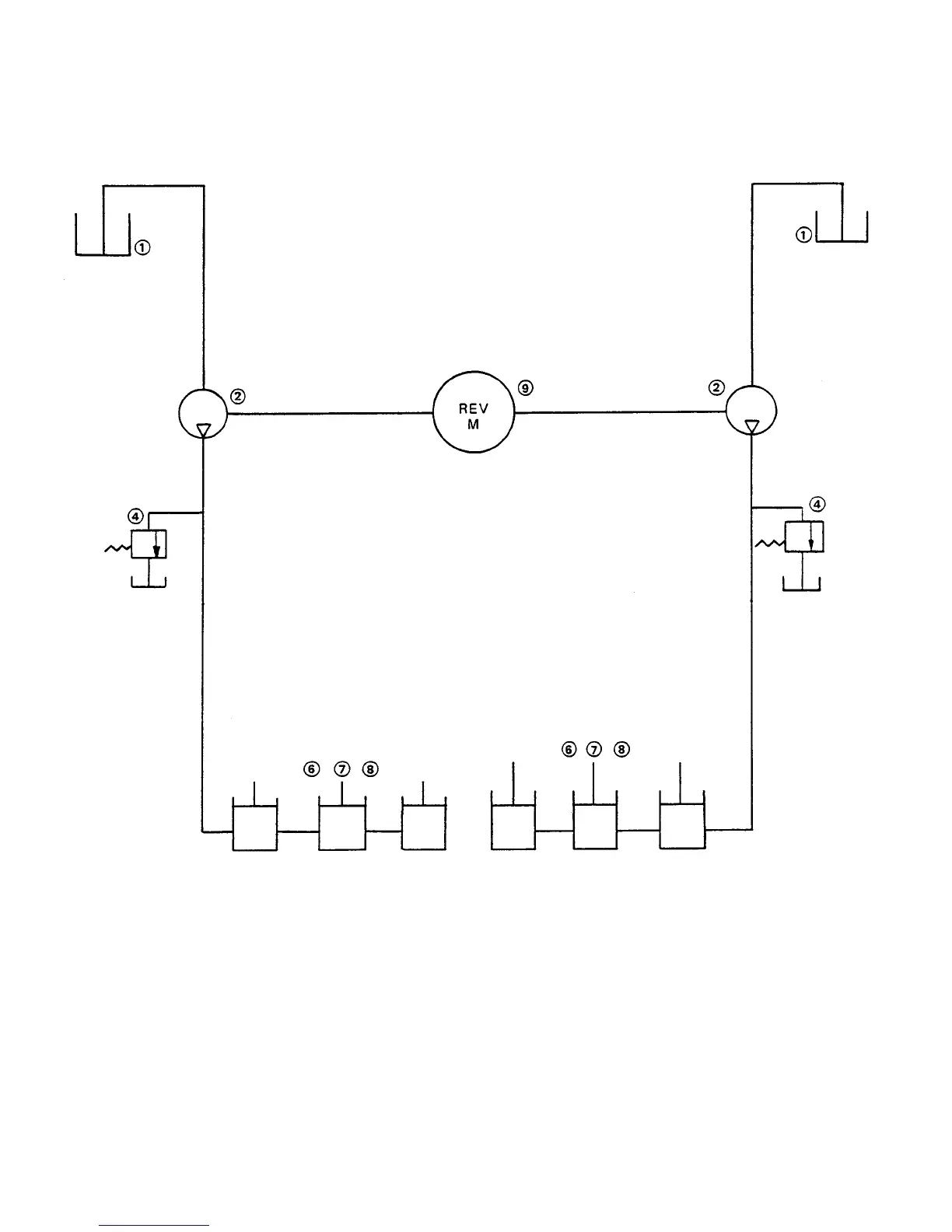
HYDRAULIC SCHEMATIC
(1) RESERVOIR
(2) PUMPS
(4) RELIEF VALVE
(6) CYLINDER 2, 4, 6, or 8 of Each
(7) PISTON Used Depending On
(8) SEAL Machine Model
(9) MOTOR
F-13571-1
8
7-1-98