EasyManua.ls Logo

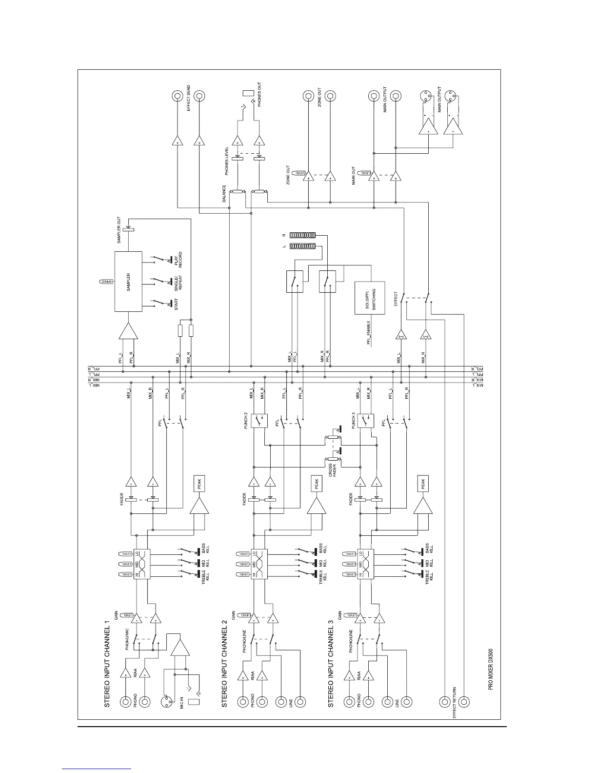
Behringer DX500 - Block Diagram

Behringer DX500
22 pages
Print Icon
To Next Page IconTo Next Page
To Next Page IconTo Next Page
To Previous Page IconTo Previous Page
To Previous Page IconTo Previous Page
Loading...
4
BLOCK DIAGRAM

Related product manuals