EasyManua.ls Logo

Behringer PRO MIXER VMX100USB - Page 7

Behringer PRO MIXER VMX100USB
13 pages
Print Icon
To Next Page IconTo Next Page
To Next Page IconTo Next Page
To Previous Page IconTo Previous Page
To Previous Page IconTo Previous Page
Loading...
12 PRO MIXER SERIES VMX100USB/VMX200USB/VMX300USB/VMX1000USB
behringer.com
13 Quick Start Guide
behringer.com
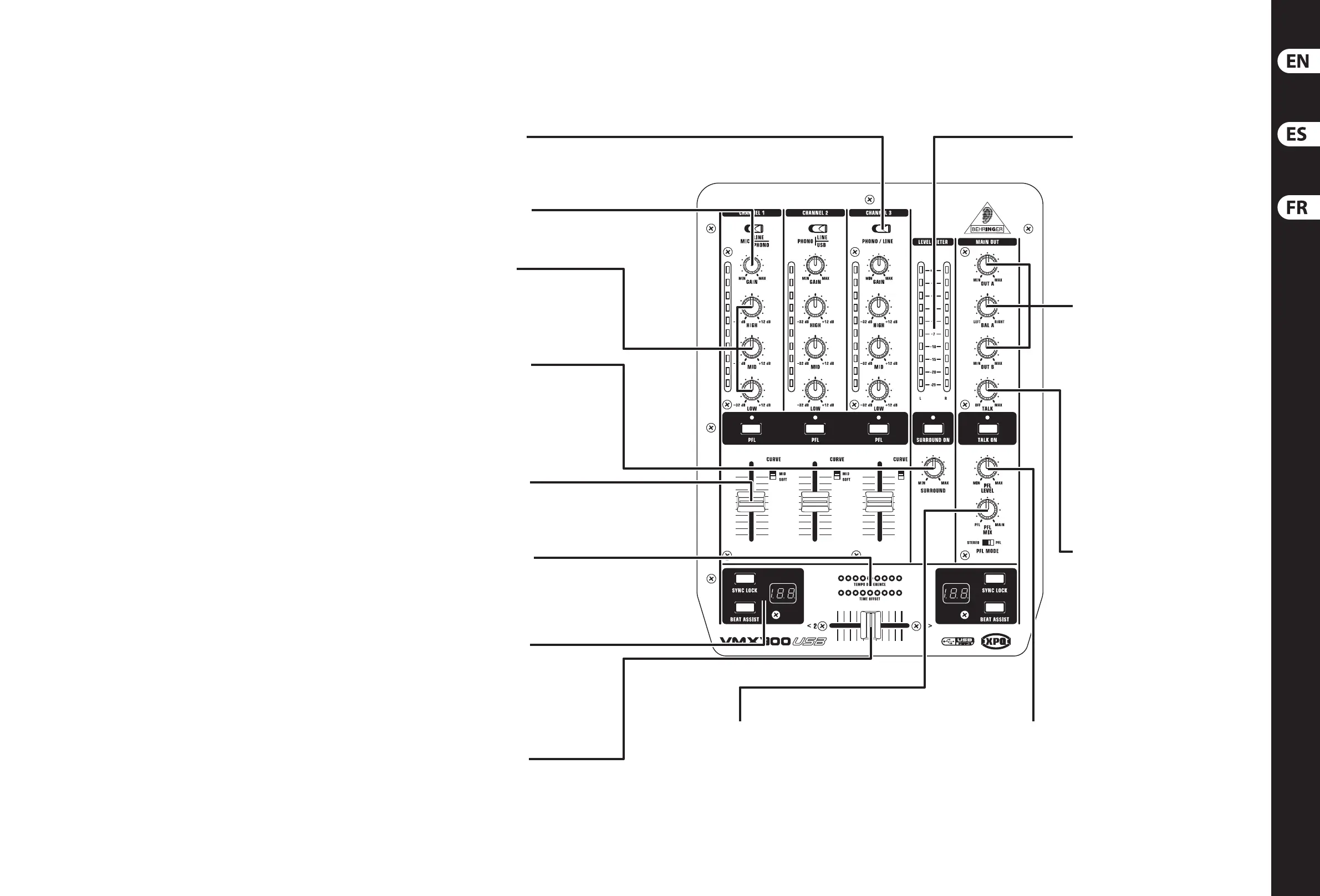
Step 2: Controls
Paso 2: Controles
Etape 2 : Réglages
CROSSFADER fades between
your sound sources. Use the
CROSSFADER CURVE knob
to determine the slope of
the crossfade.
PHONO/LINE switch
selects the channel’s
audio source.
EQ knobs adjust the high, mid
(VMX300/VMX1000), and low
frequencies of the channel by
-32 dB or up to +12 dB.
CHANNEL fader adjusts
the channel volume. The
CURVE switch determines
how abrupt the change in
volume occurs.
PFL LEVEL knob (pre-fader
listen) adjusts the volume
of the headphone mix.
Press the PFL button
(VMX300/VMX1000) on each
channel that you would like to
hear in the PFL mix.
PFL MIX knob fades between
channels 1 and 2 on the
VMX100/VMX200 or between
the PFL and MAIN signal on
the VMX300/VMX1000. If the
VMX1000's MODE switch is set
to SPLIT, the signals are heard
separately in the left and
right ear.
LEVEL METER displays the
MAIN OUT signal level on the
VMX300/VMX1000. Press
the MAIN/PFL button on the
VMX100/VMX200 to select the
displayed signal.
El medidor LEVEL METER le
muestra el nivel de la señal
MAIN OUT del VMX300/
VMX1000. Pulse el botón
MAIN/PFL en el VMX100/
VMX200 para elegir la
señal que quiera que
sea visualizada.
MAIN OUT (LEVEL) knob
adjusts the volume of
the main outputs. On the
VMX300/VMX1000, OUT A and
B adjust the level of the AMP
and BOOTH/MAIN 2 outputs
respectively. BAL A adjusts
the stereo balance of the
OUT A signal.
El mando MAIN OUT (LEVEL)
le permite ajustar el volumen
de las salidas principales.
En el VMX300/VMX1000, OUT
A y B ajustan el nivel de las
salidas AMP y BOOTH/MAIN
2, respectivamente. BAL A
ajusta el balance stereo de la
señal OUT A.
TALK knob adjusts the
volume reduction of the
music when you speak into
the microphone, allowing
your voice to be heard clearly.
Press the TALK (ON) button to
engage the eect.
El mando TALK le permite
ajustar la reducción de
volumen que se producirá
en la música cuando hable o
cante en el micrófono, lo que
hará que la voz sea escuchada
con claridad. Pulse el botón
TALK (ON) si quiere activar
este efecto.
(XPQ) SURROUND knob
adjusts the amount of stereo
enhancement on the mix.
Press the adjacent button to
activate the eect.
BEAT COUNTER section
assists in syncing up the
audio sources for smooth
crossfades. See Getting
Started step 7 for details.
TEMPO DIFFERENCE
and TIME OFFSET LEDs
(VMX100/VMX200/VMX300)
indicate the dierence
in tempo and beat
synchronization between
audio sources.
Los mandos EQ ajustan las
frecuencias agudas, medias
(VMX300/VMX1000) y graves
entre -32 dB y +12 dB.
Les boutons EQ
atténuent de -32 dB et
accentuent de +12 dB les
fréquences hautes, médiums
(VMX300/VMX1000),
et basses de la voie.
GAIN knob adjusts the input
signal level.
El mando GAIN ajusta el nivel
de señal de entrada.
Le bouton de GAIN détermine
le niveau du signal d'entrée.
El mando (XPQ) SURROUND
ajusta la cantidad de realce
stereo de la mezcla. Pulse
el botón adyacente para
activar el efecto.
Le bouton (XPQ) SURROUND
règle l'élargissement stéo
du mixage. Appuyez sur
la touche supérieure pour
activer l'eet.
El CROSSFADER le permite
realizar un fundido entre
sus fuentes de sonido. Use
el mando CROSSFADER CURVE
para determinar la pendiente
o curva de este fundido.
Le CROSSFADER eectue un
fondu progressif entre les
sources sonores. Utilisez le
sélecteur CROSSFADER CURVE
pour sélectionner la forme de
la courbe de fondu sonore.
El interruptor PHONO/
LINE elige la fuente
audio del canal.
El fader CHANNEL ajusta
el volumen del canal. El
interruptor CURVE determina
lo abrupto que será el
cambio del volumen.
Le Fader détermine le volume
de sortie de la VOIE. Le
sélecteur CURVE détermine
la rapididé du changement
de volume.
Pilotos TEMPO
DIFFERENCE y TIME OFFSET
(VMX100/VMX200/VMX300)
le indican la diferencia en
tempo y sincronizacn de
beats o tiempos musicales
entre las fuentes audio.
Les Leds TEMPO
DIFFERENCE et TIME OFFSET
(VMX100/VMX200/VMX300)
achent la diérence de
tempo et de synchronisation
entre les sources audio.
La sección BEAT COUNTER
le ayuda a sincronizar las
fuentes audio para crear unos
fundidos suaves. Vea el paso
7 de la sección Puesta en
marcha para más detalles.
La section BEAT COUNTER
vous aide à synchroniser
les sources audio pour vous
permettre de réaliser des
Crossfades tout en douceur.
Consultez la section de Mise
en œuvre, étape 7, pour de
plus amples détails.
El mando PFL MIX realiza un
fundido entre los canales 1
y 2 en el VMX100/VMX200 o
entre la señal PFL y MAIN en el
caso del VMX300/VMX1000.
Si el interruptor MODE es
ajustado a la posición SPLIT,
podrá escuchar las señales por
separado en el lado izquierdo
y derecho de los auriculares.
Le bouton TALK
détermine la réduction
du niveau de la musique
lorsque vous parlez dans
le micro, ce qui vous
permet de vous faire
entendre clairement.
Appuyez sur le bouton
TALK (ON) pour activer
la fonction.
Le bouton PFL MIX opère un
fondu entre les voies 1 et 2
sur le VMX100/VMX200 ou
entre le signal PFL et MAIN
sur le VMX300/VMX1000. Si le
sélecteur MODE est sur SPLIT,
les signaux sont sépas dans
les écouteurs gauche et droit
du casque.
El mando PFL LEVEL
(escucha pre-fader) ajusta
el volumen de la mezcla de
auriculares. Pulse el botón PFL
(VMX300/VMX1000) de cada
uno de los canales que quiera
escuchar en la mezcla PFL.
Le bouton PFL LEVEL
(Pre-Fader Listen) règle
le volume du mixage
dans le casque. Appuyez
sur la touche PFL
(VMX300/VMX1000) de
chaque voie que vous
souhaitez écouter dans le
mixage PFL.
Le bouton MAIN OUT
(LEVEL) détermine
le volume des sorties
générales. Sur le
VMX300/VMX1000,
les boutons OUT A et B
règlent le niveau des
sorties AMP et BOOTH/
MAIN 2. Le bouton BAL A
règle l'équilibre stéréo du
signal de la sortie OUT A.
L'acheur de niveau
LEVEL METER indique
le niveau de la sortie
principale MAIN OUT
du VMX300/VMX1000.
Appuyez sur la touche
MAIN/PFL du VMX100/
VMX200 pour sélectionner
le signal .
Le sélecteur PHONO/LINE
vous permet de choisir
l'entrée ligne ou phono.
PRO MIXER SERIES VMX100USB/VMX200USB/VMX30 0USB/VMX1000USB Controls

Related product manuals