EasyManua.ls Logo

Beijer Electronics X2 pro 7 web - Galvanic Isolation

Beijer Electronics X2 pro 7 web
28 pages
Print Icon
To Next Page IconTo Next Page
To Next Page IconTo Next Page
To Previous Page IconTo Previous Page
To Previous Page IconTo Previous Page
Loading...
No risk that the 24 V feed is at a high level in relationship to the ground. This is not unusual since
there is high static electricity.
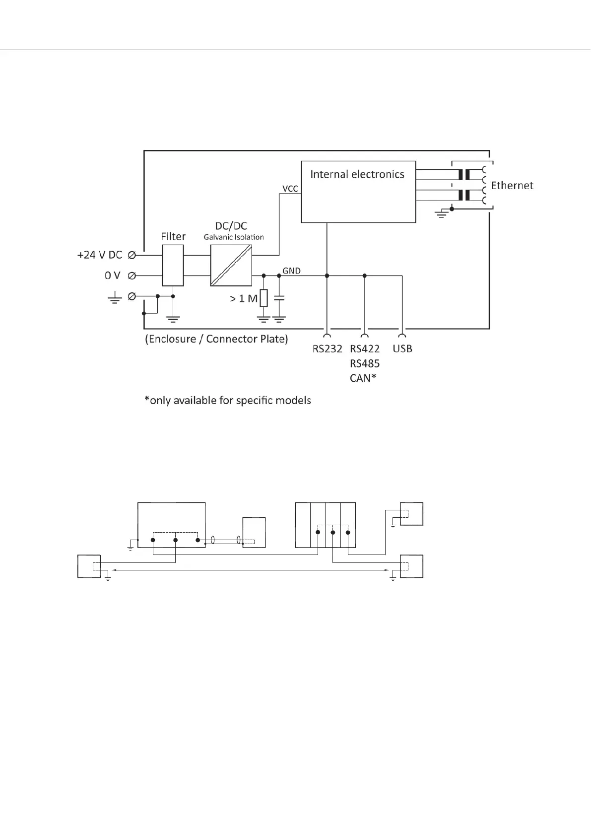
7.6. Galvanic Isolation
The HMI panel has galvanic isolation against the 24 V DC power supply but no galvanic isolation
between the communication ports for RS-232, RS-422, RS-485, CAN and USB. Only the Ethernet
connection has galvanic isolation.
* *
*
***
**
*
Operator panel Modular controller Printer
PCPC
Different ground potential
* = Internal 0 V (GND) connection
Power CPU COM COM2
RS422 RS232 USB
When a PC is connected to the HMI panel, the internal 0 V (GND) of the panel is connected to the
protective ground via the PC.
A number of USB devices can have the shield connected together with the protective ground. Here,
the 0 V (GND) of the HMI panel is connected to the protective ground when, for example, a USB
memory stick, keyboard, or similar device is plugged in.
If a number of units are connected that have a 0 V and a ground connection, and these are connected
to various grounding points, there is a substantial risk of problems. Grounding currents go through
communication cables, the rear plate of the controller, internally in the HMI panel, and can cause
errors.
Use external units to improve communication and achieve galvanic isolation. Westermo has good
industry-standard insulators that are also insulated from the 24 V DC feed.
Additional Installation Tips
Beijer Electronics, MAEN364 25 2024-01

Related product manuals