EasyManua.ls Logo

Beissbarth MICROTEC 850 - Page 59

Beissbarth MICROTEC 850
66 pages
Print Icon
To Next Page IconTo Next Page
To Next Page IconTo Next Page
To Previous Page IconTo Previous Page
To Previous Page IconTo Previous Page
Loading...
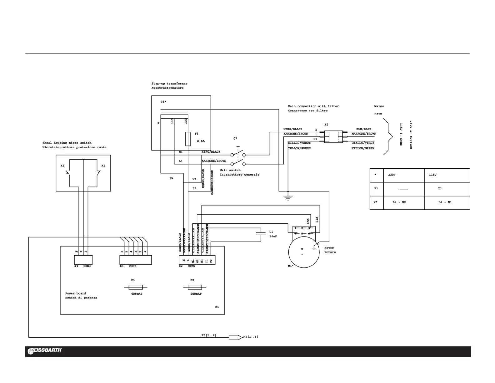
N.653735 Rev. 0
MICROTEC 850-850.A
SCHEMA ELETTRICO EQUILIBRATRICE MT 850-850.A A 115/230V
MT 850-850.A BALANCING MACHINE ELECTRIC DIAGRAM AT 115/230V
DIAGRAMA DE CONEXION BALANCEADORA MT 850-850.A A 115/230V

Table of Contents

Related product manuals