EasyManua.ls Logo

Beissbarth MICROTEC 850 - Page 62

Beissbarth MICROTEC 850
66 pages
Print Icon
To Next Page IconTo Next Page
To Next Page IconTo Next Page
To Previous Page IconTo Previous Page
To Previous Page IconTo Previous Page
Loading...
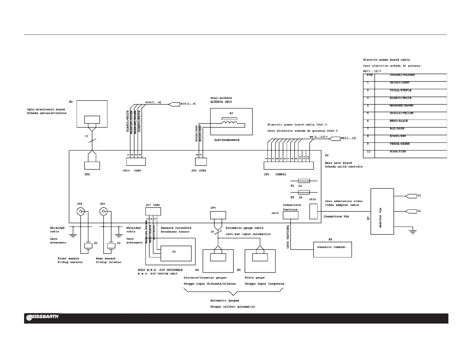
SCHEMA ELETTRICO EQUILIBRATRICE MT 865.A-865.AD-865.ADP A 115/230V
MT 865.A-865.AD-865.ADP BALANCING MACHINE ELECTRIC DIAGRAM AT 115/230V
DIAGRAMA DE CONEXION BALANCEADORA MT 865.A-865.AD-865.ADP A 115/230V
N.653737 Rev. 0
MICROTEC 865.A-865.AD-865.ADP

Table of Contents

Related product manuals