EasyManua.ls Logo

Belimo ARB24-SR - ARX24-MFT Actuators, Multi-Function Technology

Belimo ARB24-SR
14 pages
Print Icon
To Next Page IconTo Next Page
To Next Page IconTo Next Page
To Previous Page IconTo Previous Page
To Previous Page IconTo Previous Page
Loading...
Encontre Belimo na RSA - A mais completa em soluções para HVAC e Automação - Avenida Ragueb Chohfi, 960 - Torre 3, Sala 73 - Jardim Três Marias, São Paulo-SP, Cep: 08375-000 -
Telefone Sac: 55 11 2031 6658 / Whats App 55 11 9799 6574 - Email: contato@rsistemasdeautomacao.com.br - Site: http://www.rsistemas-automacao.com.br/empres/empres.aspx
C
B
3.46"
[88]
A
AR...24-MFT Actuators, Multi-Function Technology
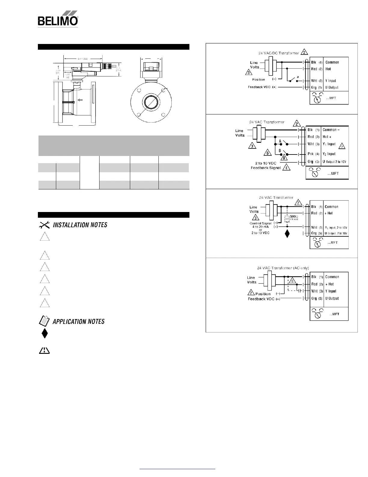
Dimensions
Valve
Nominal Top
Flange Face-to-Face
Body
Pipe Flange
Diameter Length
Height
Size Design
F05
A
7.50" [190.5]
8.00" [203.2]
5.50" [139.7]
6.60" [167.6]
C
8.10" [205.4]
8.40" [213.1]
B6250
B6300
2½" [65]
3" [80]
B6400
4" [100]
9.00" [228.6]
8.30" [210.8]
9.30" [235.9]
Wiring Diagrams
CAUTION Equipment damage!
Actuators may be connected in parallel.
Power consumption and input impedance must be observed.
Actuators may also be powered by 24 VDC.
Position feedback cannot be used with Triac sink controller
The actuator internal common reference is not compatible.
Control signal may be pulsed from either the Hot (source)
or the Common (sink) 24 VAC line.
Contact closures A & B also can be triacs.
A& B should both be closed for triac source and open for triac sink.
For triac sink the common connection from the actuator
must be connected to the hot connection.
The ZG-R01 500
resistor converts the 4 to 20 mA control signal to
2 to 10 VDC, up to 2 actuators may be connected in parallel.
W
ARNIN
G
L
IVE
Electrical
Components
!
During installation, testing, servicing and troubleshooting of this
product, it may be necessary to work with live electrical components. Have a
qualified licensed electrician or other individual who has been properly trained
in handling live electrical components perform these tasks. Failure to follow all
electrical safety precautions when exposed to live electrical components could
result in death or serious injury.
2
3
4
6
8
9
PWM
VDC/4-20 mA
Floating Point
On/Off control
O50905 - 05/12 - Subject to change. © Belimo Aircontrols (USA), Inc.
AR_MFT_LGCCV
W538
W538
W538
W538

Other manuals for Belimo ARB24-SR

Related product manuals