EasyManua.ls Logo

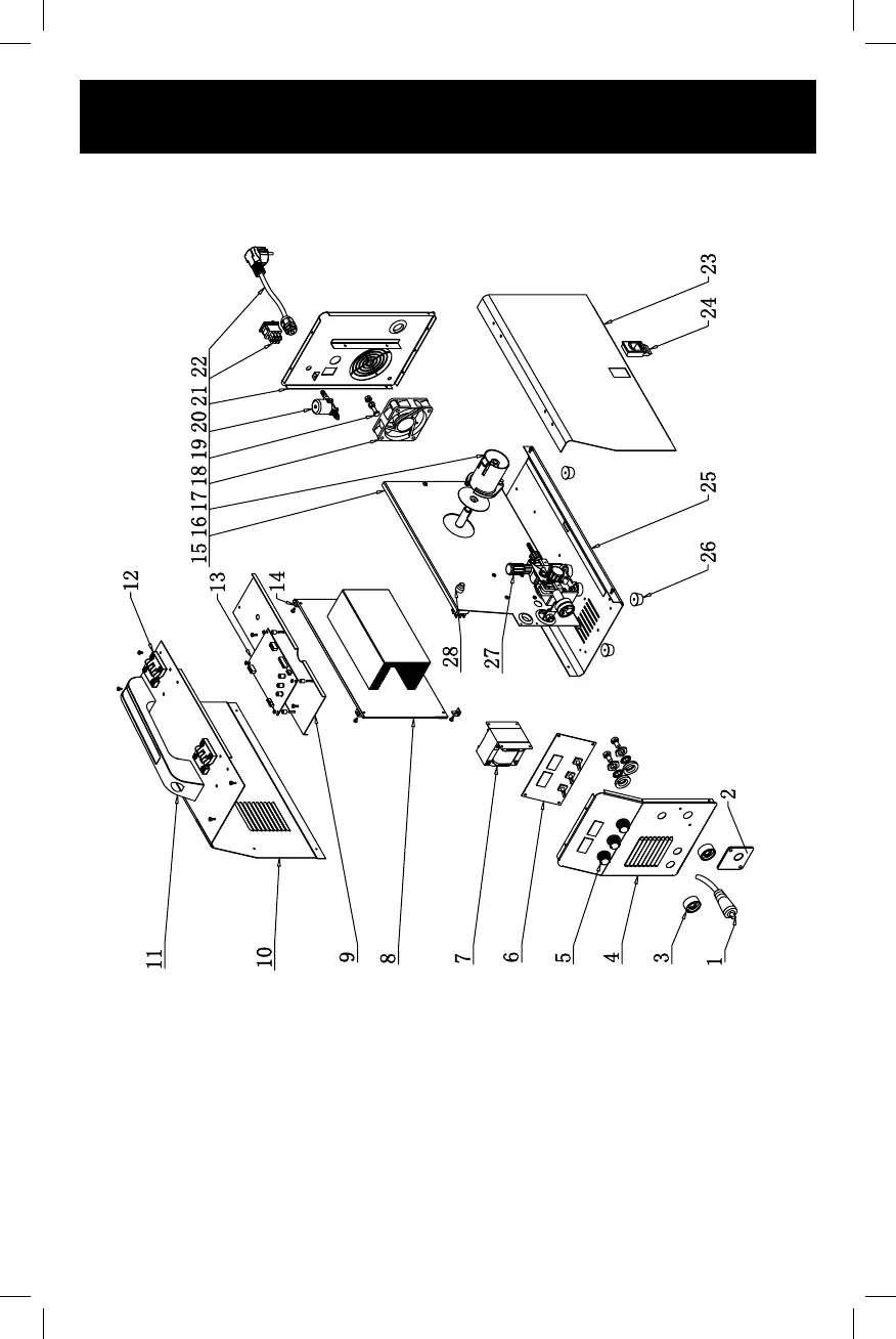
Benchmark 1150-003 - Replacement Parts List

Benchmark 1150-003
46 pages
Print Icon
To Next Page IconTo Next Page
To Next Page IconTo Next Page
To Previous Page IconTo Previous Page
To Previous Page IconTo Previous Page
Loading...
1150-003
INVERTER MULTI-PROCESS WELDER KIT
42
EXPLODED VIEW