EasyManua.ls Logo

Benchmark 65926 - Parts Diagram

Benchmark 65926
34 pages
Print Icon
To Next Page IconTo Next Page
To Next Page IconTo Next Page
To Previous Page IconTo Previous Page
To Previous Page IconTo Previous Page
Loading...
30
5240-552
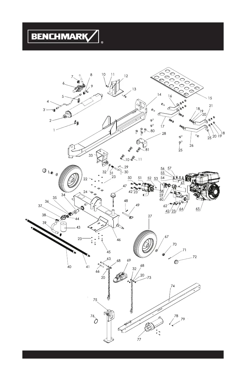
PARTS DIAGRAM

Related product manuals