EasyManua.ls Logo

BENDIX ADB22X-V - Page 17

BENDIX ADB22X-V
44 pages
Print Icon
To Next Page IconTo Next Page
To Next Page IconTo Next Page
To Previous Page IconTo Previous Page
To Previous Page IconTo Previous Page
Loading...

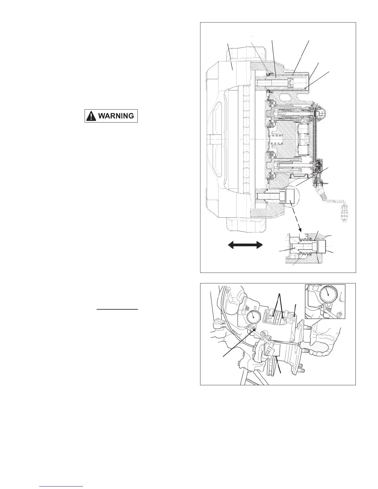
Caliper
Movement
1
Caliper
5
Guide Pin
9
Inner
Boot
9 Inner Boot
7
Brass
Bushing
10
Cap
6 Guide Sleeve
4 Guide Pin
39
Caliper Bolt
Outboard Inboard
68
Cap
SHORT
BEARING
SIDE
LONG
BEARING
SIDE

12 Pad Assembly
1
Carrier
2
Caliper
Magnetic
Dial-Gauge
Measures
Range Here






       


      




 
  
         

    







  














         
       

        

 


       




Related product manuals