EasyManua.ls Logo

Beninca LADY - Page 30

Beninca LADY
36 pages
Print Icon
To Next Page IconTo Next Page
To Next Page IconTo Next Page
To Previous Page IconTo Previous Page
To Previous Page IconTo Previous Page
Loading...
30
6
2
3
4
5
1
7
7
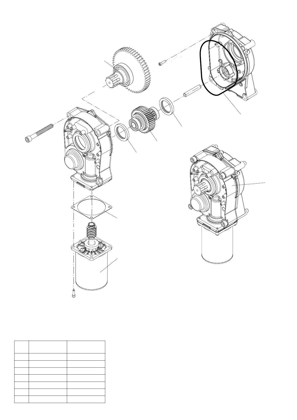
Ref.
LADY/LADY 5
Kód
Poznámka
1
9686110
2
968601519
3
968601520
4
9686107
5
9686109
6
968601522
7
9686555

Related product manuals