EasyManua.ls Logo

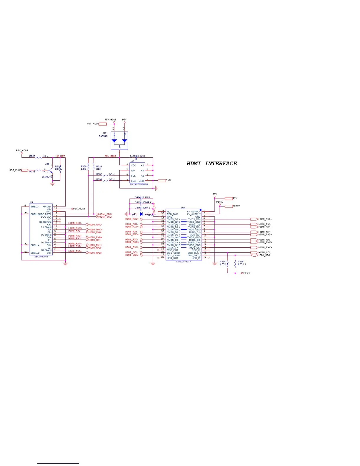
BenQ MP515 - HDMI Interface

BenQ MP515
21 pages
Print Icon
To Next Page IconTo Next Page
To Next Page IconTo Next Page
To Previous Page IconTo Previous Page
To Previous Page IconTo Previous Page
Loading...

Other manuals for BenQ MP515

Related product manuals