EasyManua.ls Logo

benza 950i - Diagrama del Cableado

Default Icon
Print Icon
To Next Page IconTo Next Page
To Next Page IconTo Next Page
To Previous Page IconTo Previous Page
To Previous Page IconTo Previous Page
Loading...
ESPAÑOL
16
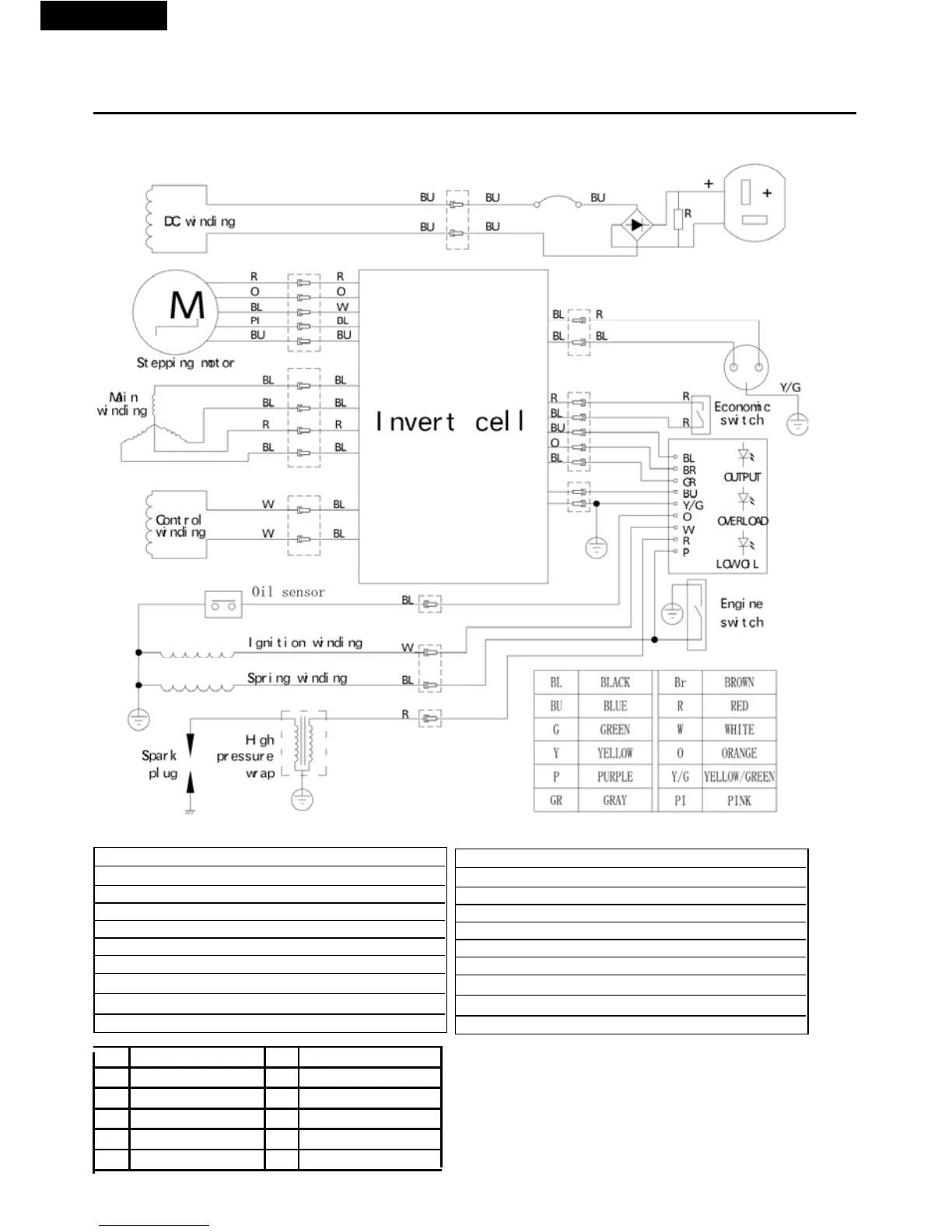
9. DIAGRAMA DEL CABLEADO
Inglés Español
DC winding Devanado de CC
DC protector Protector de CC
Fuse Fusible
DC socket Enchufe de CC
Stepping motor Motor paso a paso
AC socket Enchufe de CA
Main winding Devanado principal
Invert cell Célula de inversión
Economic switch Interruptor de control de energía
Control winding Devanado de control
Pilot Piloto
Overload Sobrecarga
Low oil Nivel de aceite bajo
Oil sensor Sensor de aceite
Engine switch Interruptor del motor
Ignition winding Devanado del encendido
Spring winding Devanado de muelle
Spark plug Bujía
High pressure wrap Envoltura de alta presión
BL NEGRO Br MARRÓN
BU AZUL R ROJO
G VERDE W BLANCO
Y AMARILLO O NARANJA
P PÚRPURA Y/G AMARILLO/VERDE
GR GRIS PI ROSA