EasyManua.ls Logo

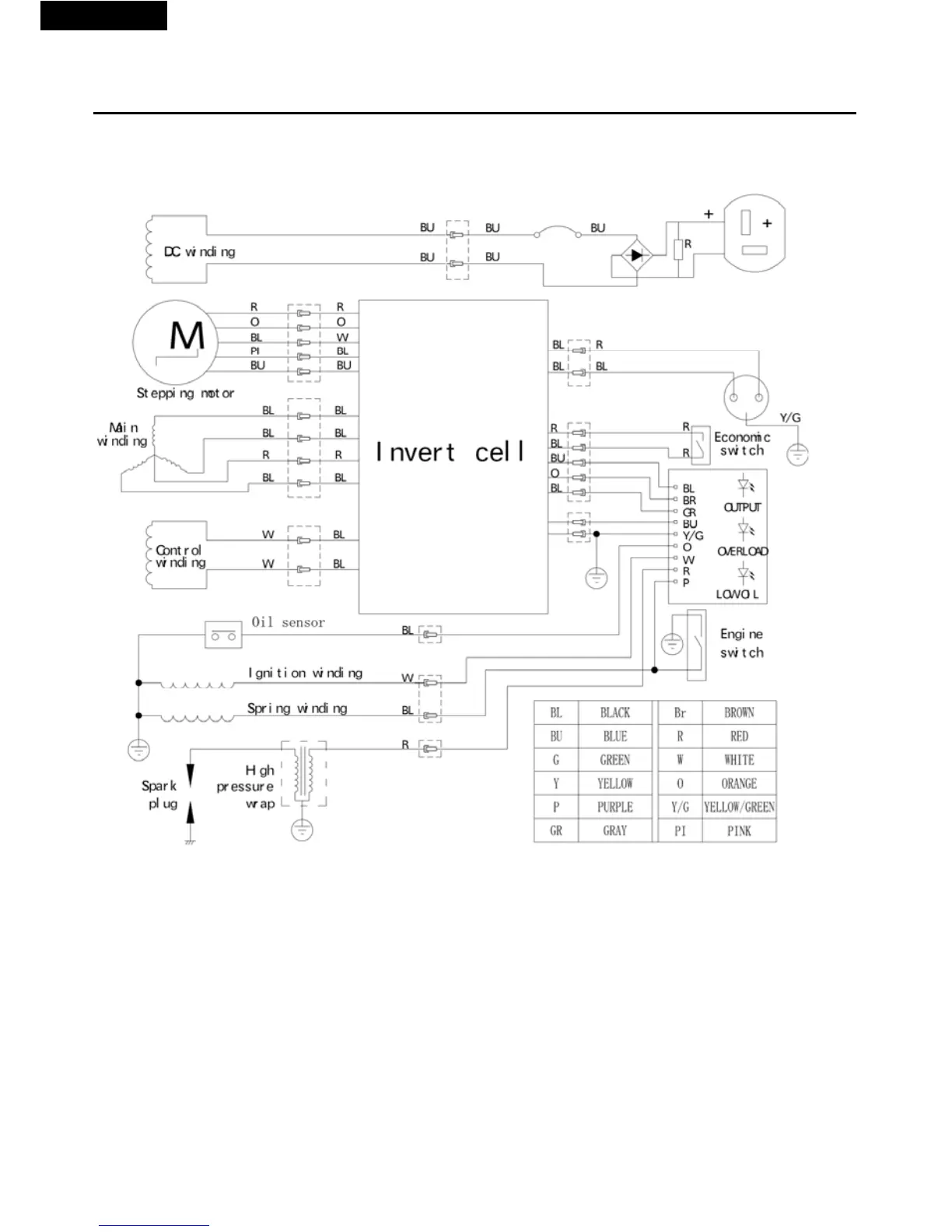
benza 950i - Wiring Diagramˇ

Default Icon
Print Icon
To Next Page IconTo Next Page
To Next Page IconTo Next Page
To Previous Page IconTo Previous Page
To Previous Page IconTo Previous Page
Loading...
ENGLISH
16
9. WIRING DIAGRAM