EasyManua.ls Logo

BERG SR58V - Wiring Diagram

BERG SR58V
20 pages
Print Icon
To Next Page IconTo Next Page
To Next Page IconTo Next Page
To Previous Page IconTo Previous Page
To Previous Page IconTo Previous Page
Loading...
Service and Installation Manual
15
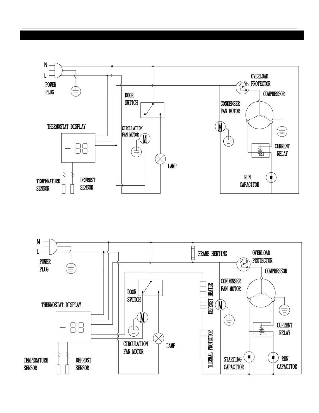
WIRING DIAGRAM
MODEL: SR58V
MODEL: SF58V

Related product manuals