EasyManua.ls Logo

BERG SR59V - Wiring Diagram

BERG SR59V
20 pages
Print Icon
To Next Page IconTo Next Page
To Next Page IconTo Next Page
To Previous Page IconTo Previous Page
To Previous Page IconTo Previous Page
Loading...
Service and Installation Manual
15
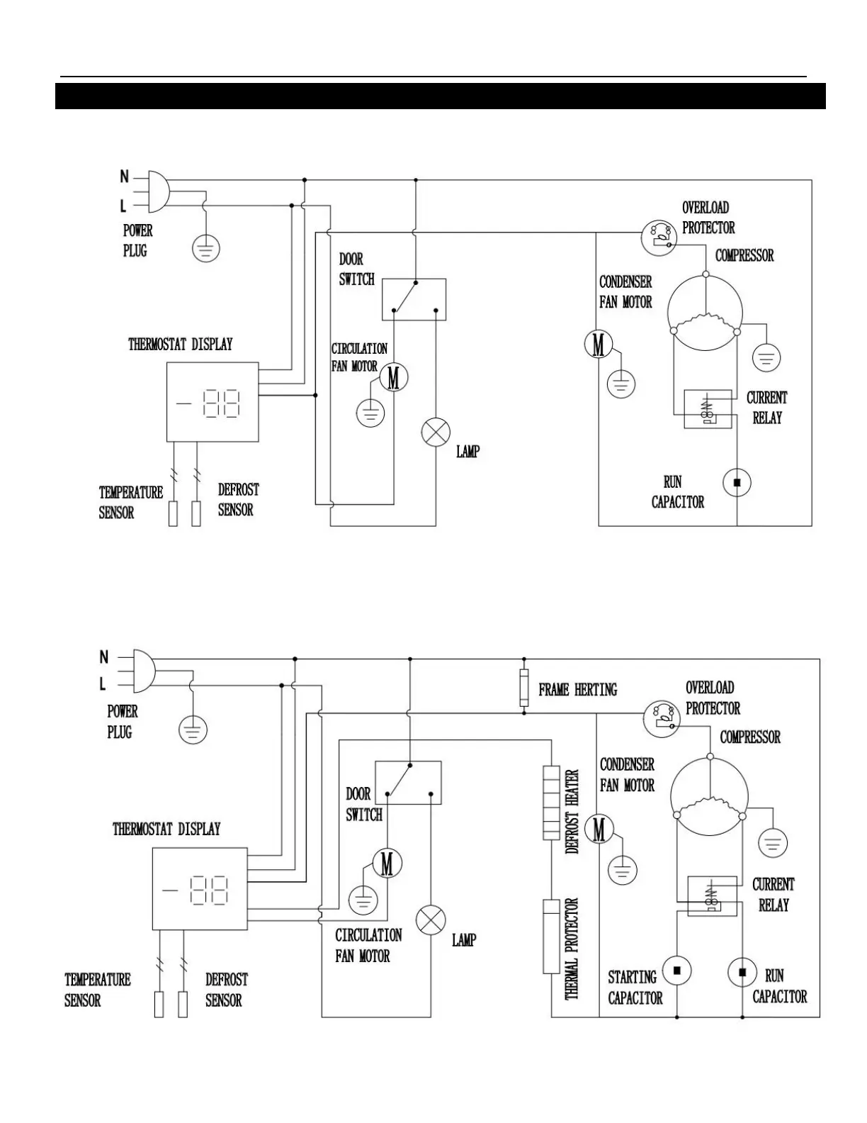
WIRING DIAGRAM
MODEL: SR59V
MODEL: SF59V

Related product manuals