EasyManua.ls Logo

BERG SR59V - Page 17

BERG SR59V
20 pages
Print Icon
To Next Page IconTo Next Page
To Next Page IconTo Next Page
To Previous Page IconTo Previous Page
To Previous Page IconTo Previous Page
Loading...
Service and Installation Manual
17
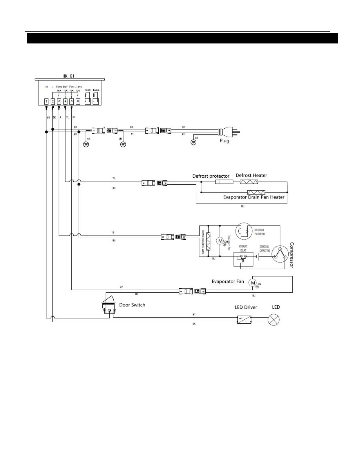
WIRING DIAGRAM
MODEL: SF59V

Related product manuals