EasyManua.ls Logo

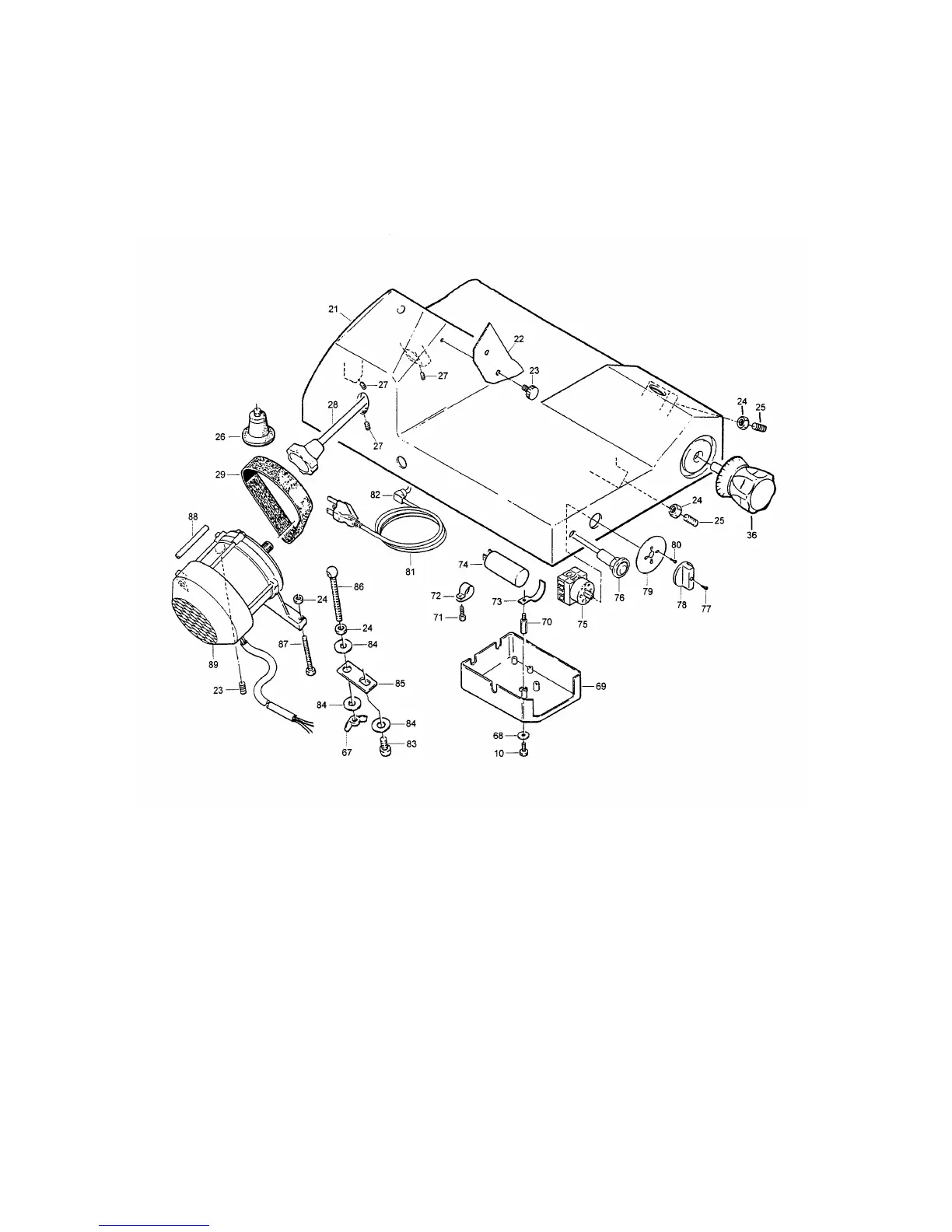
Berkel 825A - Housing and Electrical

Berkel 825A
19 pages
Print Icon
To Next Page IconTo Next Page
To Next Page IconTo Next Page
To Previous Page IconTo Previous Page
To Previous Page IconTo Previous Page
Loading...
16
HOUSING AND ELECTRICAL

Related product manuals