EasyManua.ls Logo

Berkel 829A - Before Using This Equipment

Berkel 829A
23 pages
Print Icon
To Next Page IconTo Next Page
To Next Page IconTo Next Page
To Previous Page IconTo Previous Page
To Previous Page IconTo Previous Page
Loading...
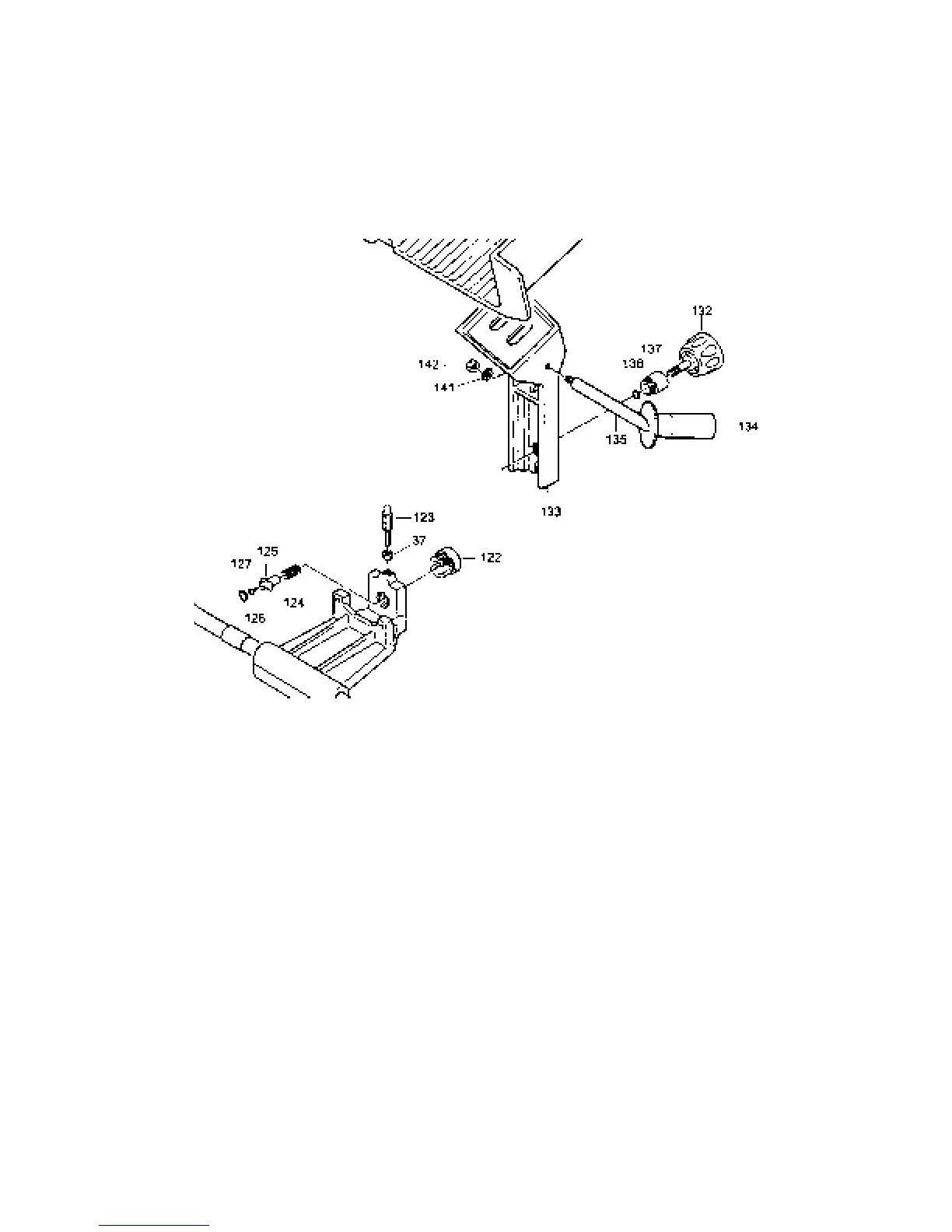
GAUGE PLATE INTERLOCK COMPONENTS
Item Description Part Number
37 Nut 827-00033
122 Bushing 829A-00602
123 Stand Off 829A-00603
124 Spring 829A-00604
125 Bushing 829A-00605
126 Nylon Screw 829A-00606
127 Circlip 829A-00600
132 Knob 829A-00607
134 Handle 829A-00608
135 Extension 829A-00609
137 Bushing 829A-00610
138 Circlip 829A-00601
141 Washer 829A-00611
142 Nut CU-00008

Other manuals for Berkel 829A

Related product manuals