EasyManua.ls Logo

BERNSTEIN WC T620 Pro - Technical Drawings

BERNSTEIN WC T620 Pro
Print Icon
To Next Page IconTo Next Page
To Next Page IconTo Next Page
To Previous Page IconTo Previous Page
To Previous Page IconTo Previous Page
Loading...
20
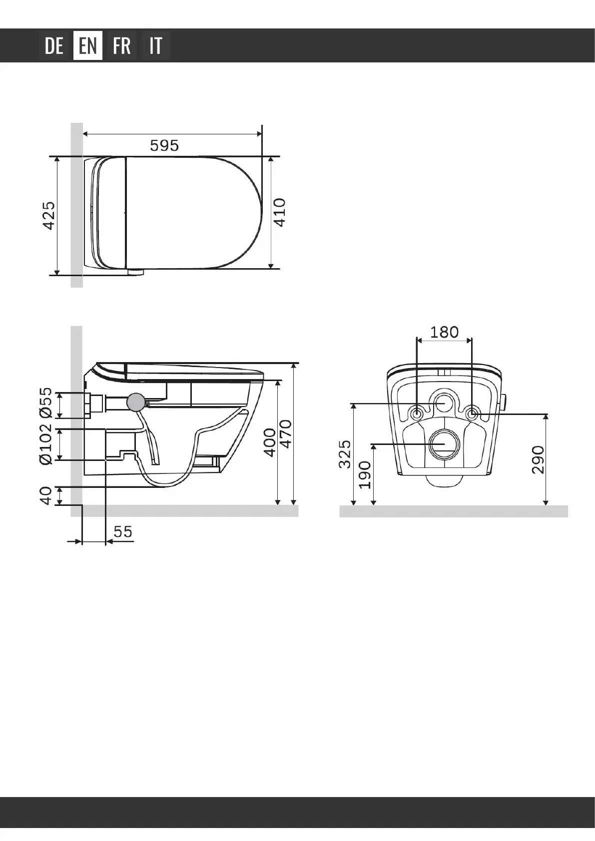
TECHNICAL DRAWINGS
BERNSTEIN SHOWER-WC T620 Pro

Related product manuals