EasyManua.ls Logo

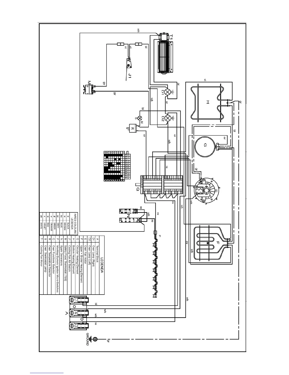
Bertazzoni MAS304DFMXE - Wiring Diagram

Bertazzoni MAS304DFMXE
36 pages
Print Icon
To Next Page IconTo Next Page
To Next Page IconTo Next Page
To Previous Page IconTo Previous Page
To Previous Page IconTo Previous Page
Loading...
17
WIRINGDIAGRAM

Related product manuals