EasyManua.ls Logo

Bertazzoni MAST305DFMNEE - Page 36

Bertazzoni MAST305DFMNEE
48 pages
Print Icon
To Next Page IconTo Next Page
To Next Page IconTo Next Page
To Previous Page IconTo Previous Page
To Previous Page IconTo Previous Page
Loading...
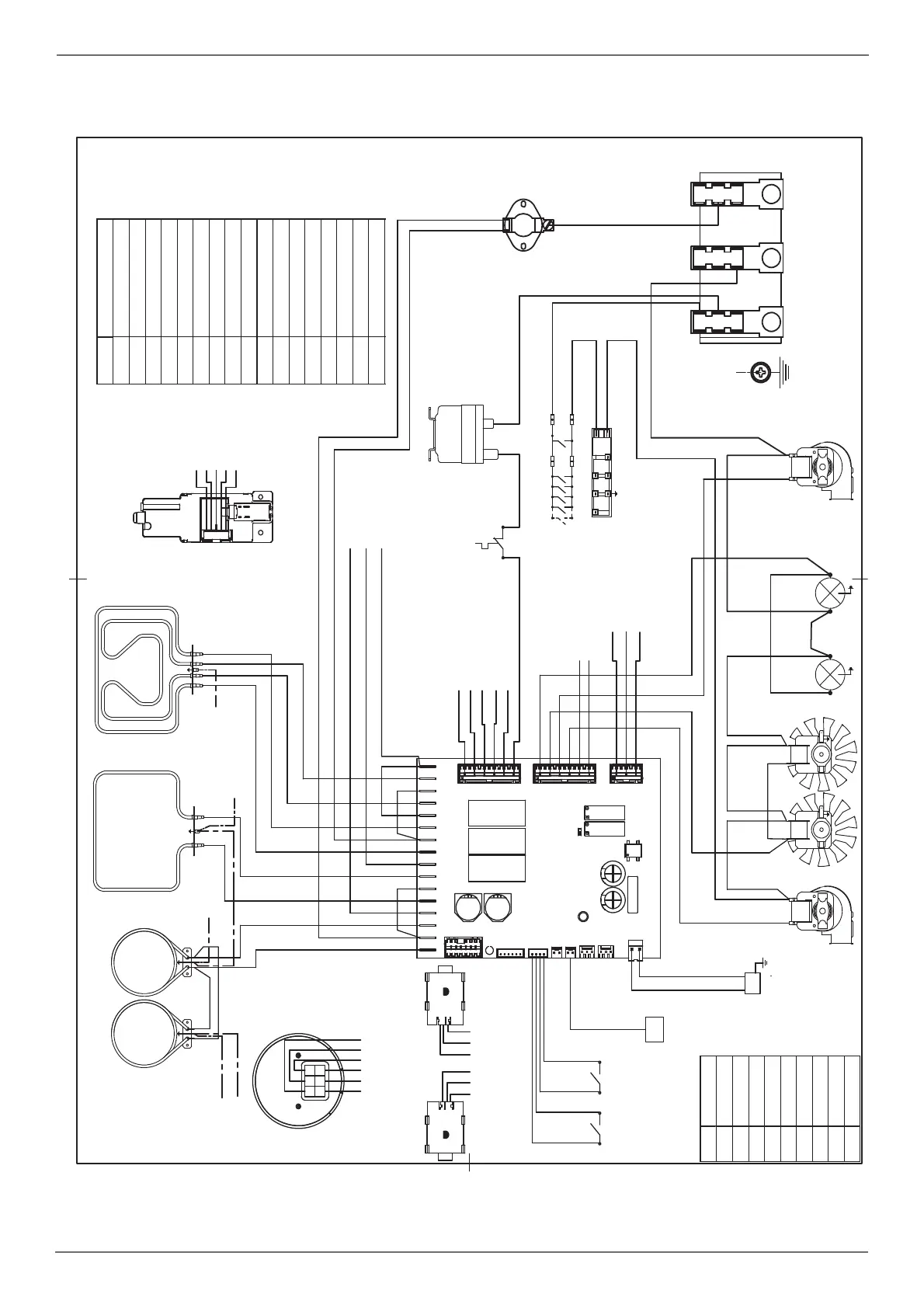
13
30 /36 /48 DFS
to CN1 - 1
to CN1 - 2
to CN1 - 3
to CN1 - 4
to CN1 - 5
to CN1 - 6
EG
M
L1 N L2
GROUND
LF
LF
MVMV
MVT
down
MVT
up
PT
RG+RC
RP
RCRC
Simb. Description
mBrown
rRed
gv Green
vViolet
gr Grey
aOrange
nBlack
bBlue
bi White
COLOURS
Simb. Description
B Thermal cut-out
CMV Cooling fan air sensor switch
DL Door Lock - Door Switch
EG Electronic Gauge
FS Oven Function Selector
G Spark Generator
IGN Ignition Micro switches
TS Oven Temperature Selecton
K Termal cut out
LF Oven lamp
M Terminal Block
MT Meat Probe
MV Fan motor
MVT Cooling fan motor
PT Oven sensor Temp. (PT1000)
RC Round element
RC+RG Upper/grill element
LEGENDA
CN1- 1....6
1..4
CN2
CN21
1.3
CN24
1.3
CN23
CN30
CN22 -3.1
CN27 - 6.....1
CN28 - 6.....1
DL
to M-L1
to CN27 - 6
to CN27 - 5
to CN26 - 2
to CN26 - 3
to M-L1
to DL
to DL
to M-N
to M-L1
TS
to CN23 - 3
to CN23 - 2
to CN23 - 1
FS
to CN23 - 3
to CN23 - 2
to CN23 - 1
to DL
to DL
to M-L1
to M-N
to GROUND
TSS
1
2
K
B
G
IGN
n
to M-L1
to M-L1
to M-L1
CMV
down
CMV
up
MT
A
B
a
a
v
v
b
b
gr
gr
r
r
n
n
n
n
n
bi
bi
bi
bi
b
r
a
bi
r
n
n
n
bi
to MV
to MV
to MV
to MV
to M-GROUND
to RP
/ Schéma de câblage

Related product manuals