EasyManua.ls Logo

Bertazzoni X365GGVX - Page 7

Bertazzoni X365GGVX
78 pages
Print Icon
To Next Page IconTo Next Page
To Next Page IconTo Next Page
To Previous Page IconTo Previous Page
To Previous Page IconTo Previous Page
Loading...
7
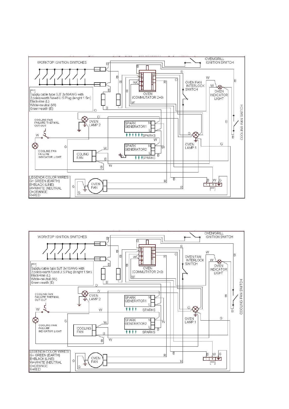
Wiring diagram
For freestanding gas range model X366GGVX (X36 6 00 X) M3Y0GTU4X(2 or 5)A
CAUTION: label all wires prior to disconnection when servicing controls. Wiring errors can cause
improper and dangerous operation.
Verify proper operation after servicing.
For freestanding gas range model X365GGVX (X36 5 00 X) M3W0GTU4X(2 or 5)A
CAUTION: label all wires prior to disconnection when servicing controls. Wiring errors can cause
improper and dangerous operation.
Verify proper operation after servicing.

Related product manuals