EasyManua.ls Logo

Berthoud ELYTE Series - Page 24

Berthoud ELYTE Series
153 pages
Print Icon
To Next Page IconTo Next Page
To Next Page IconTo Next Page
To Previous Page IconTo Previous Page
To Previous Page IconTo Previous Page
Loading...
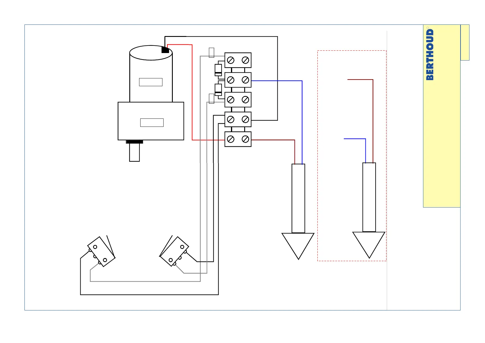
SCHEMAS_ELECTRIQUES_GC 24
Gris
VANNE DP TRONIC
SCHEMA DE CABLAGE
MODIFICATIONS
DOCUMENT CONFIDENTIEL REPRODUCTION ET DIFFUSION INTERDITES
2721
03/01/2000
DATE
A
IND
DIFF.
1
Fin de course BP
Mise à jour avec vanne DPT 2
DATE:
15/10/1999
2
Fin de course HP
01273
ROUGE
Gris
Noir
Noir
Vers barrette électrodistributeurs
Voir schéma de principe 529066
RB
DESSINE:
3055 VR
DIFF.
VISA
5119
N° D'IDENTIFICATION
BERTHOUD
69220 BELLEVILLE
Disquette
A
07
R
câble 2x1
2
1
12/200
B
Changement motoréducteur devient 72951-C
RBe
B
NOIR
BLEU
BRUN
72951-C
72951-C
01/02/05
C
Ajout étiquettes et suppression des fils bleus sur F.C.
RBr
C
3988
BLEU
BRUN
câble 2x1
CAS TENOR
07/09/2007
D
Ajout cas TENOR
707 RBe
D
R
Schéma câblage vanne D.P.TRONIC
D.P.TRONIC valve wiring diagram
541.194 D
_19/09/07

Related product manuals