EasyManua.ls Logo

Berthoud ELYTE Series - Page 30

Berthoud ELYTE Series
153 pages
Print Icon
To Next Page IconTo Next Page
To Next Page IconTo Next Page
To Previous Page IconTo Previous Page
To Previous Page IconTo Previous Page
Loading...
SCHEMAS_ELECTRIQUES_GC 30
R
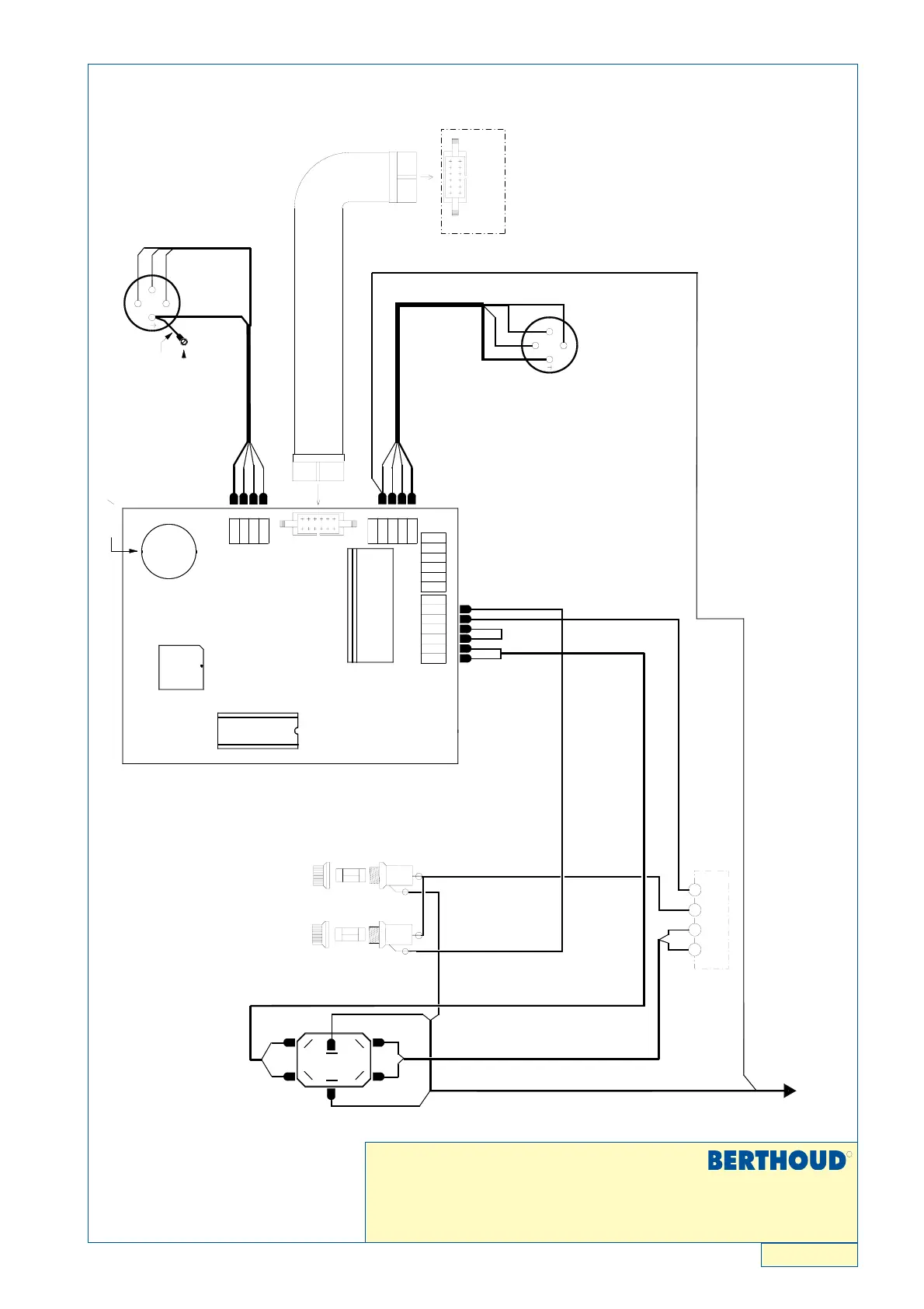
Câblage carte D.P.Tronic
D.P.Tronic board wiring
572.920 E
Carte
D.P.Tronic
Rouge
A1
B1
rouge 86
88
86
Carte pulvé
88
84
PRISE 72
BROCHES
B
A
R
21
A
B
-
rouge 86
rouge
22
B
A
B1
A1
1
4
25
36
4
FUS
DPTronic
84
22
FUS 5A
5A
3
Logiciel
BERTRONIC
RAMPE
FUS
84
10A
FUS 10A
Mot2
Mot1
L.P.
12V
-
+
56
4
32
1
Tresse
MODIFICATIONS
DESSINE:
Marron
Modification prise 40 ou 72 broches et carte pulvé
DATE
IND
DIFF.
2890
A
04/10/99
DATE:
28-05-1999
Prise capteur
de vitesse
3
1
2
Blanc
Vert
N
°
D
'
IDENTIFICATION
BERTHOUD
69220 BELLEVILLE
N° Fichier: 39200
DIFF.
VISA
Ph.L
2972
VR
Carte Pul
Prise capteur
de pression
18
Vpnp
0V
9
0V
DébitNPN
78
0V
12V
Déb.1
Déb.0
10
11
12 13
12V
14
15
16
17
Vnpn
0V
0V
Tresse
Blanc
Marron
Vert
21
Piles O20 - CR 2032
20
0V
19
12V
0V
21
22
Pres.
Tresse
Blanc
Marron
Vert
fil V/J
3
Vis de fixation
Prise 4 broches
Tresse
1
2
Blanc
Vert
Marron
Ajout interrupteur rinçage rampe ELYTE
B
3927
RBe
11/2004
C
02/05
Ajout interrupteur rinçage cuve ELYTE
4000
RBe
D
11/05
Suppression Rinçage Cas Elyte
4211
PJ
E
03/06
Suppression prise 40 broches; remplacée par prise 72 broches
4327
PJ
E
A3
5
72920

Related product manuals