EasyManua.ls Logo

bester PDE 50 - Page 29

bester PDE 50
Print Icon
To Next Page IconTo Next Page
To Next Page IconTo Next Page
To Previous Page IconTo Previous Page
To Previous Page IconTo Previous Page
Loading...
A-25
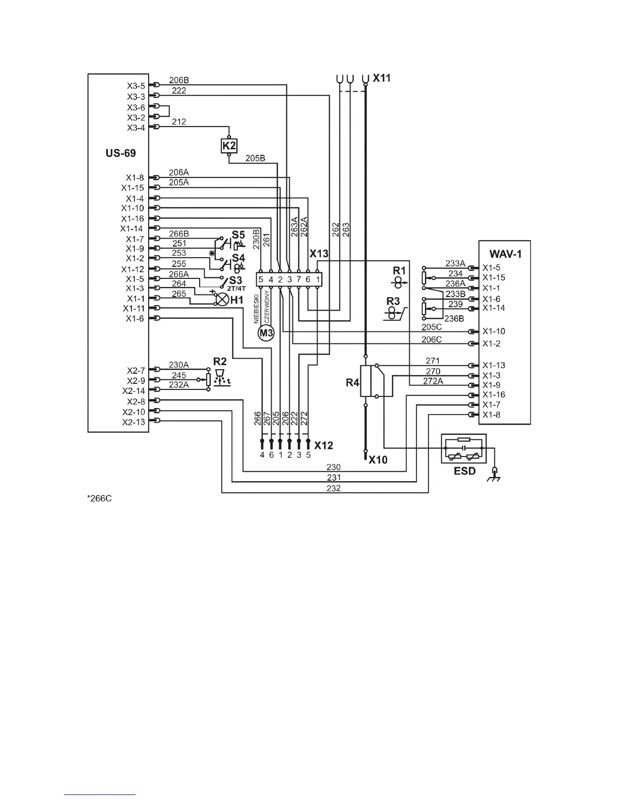
Schemat ideowy (PDE 51)

Related product manuals