EasyManua.ls Logo

BEXT PJ 250 - Page 24

Default Icon
38 pages
Print Icon
To Next Page IconTo Next Page
To Next Page IconTo Next Page
To Previous Page IconTo Previous Page
To Previous Page IconTo Previous Page
Loading...
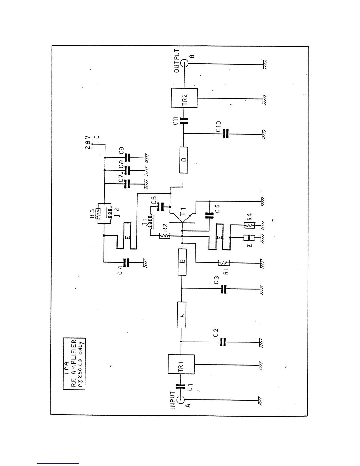
24
F
I
G
U
R
E
7a