EasyManua.ls Logo

Biamp SPM412e - Application Example: Boardroom; Boardroom Wiring Diagram; Boardroom Setup Guide

Biamp SPM412e
19 pages
Print Icon
To Next Page IconTo Next Page
To Next Page IconTo Next Page
To Previous Page IconTo Previous Page
To Previous Page IconTo Previous Page
Loading...
9
APPLICATIONS
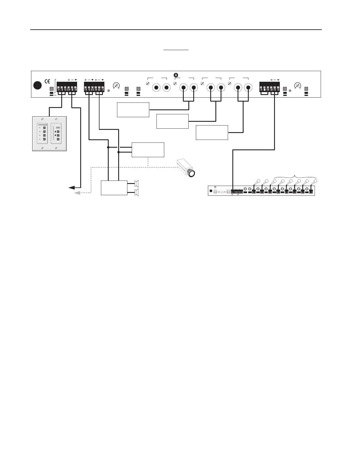
Boardroom
L
R
remote main mic
zone
main
limit
threshold
tone
stereo
mono
out
in
+10+10limit
phtm
pwr
15 watts
class 2 wiring
50/60 Hz
~
27V
gnd
IR2
IR3
mute
gnd
signal
bypass
off
on
level level
level
trim
pad
L
R
input 4
gnd
hi
lo
L
R
input 3
L
R
input 2
L
R
input 1
level level
BIAMP SYSTEMS
designed and assembled in the USA
www.biamp.com
outputs
expansion
logic
outputs
ONONONONONONONON
ON
pad
ungated
phantom
aux off
patch pre
slave
-12db
hp filter
last mic
aux post
pad
ungated
phantom
duck ch8
patch pre
pad
ungated
phantom
duck ch8
patch pre
pad
ungated
phantom
duck ch8
patch pre
pad
ungated
phantom
duck ch8
patch pre
pad
ungated
phantom
duck ch8
patch pre
pad
ungated
phantom
duck ch8
patch pre
pad
ungated
phantom
duck ch8
patch pre
BIAMP SYSTEMS
Portland, Oregon
an affiliate of
Rauland-Borg Corp.
±12VDC
DC out
15 watts
class 2 wiring
50/60 Hz
~
27V
main aux
stack in
main patch
patch
8
input
patch
7
input
patch
6
input
patch
5
input
patch
4
input
patch
3
input
patch
2
input
patch
1
input
Stereo
Amplifier
Boardroom
Speakers
(stereo)
Tele-Conferencing
Feed
(mono)
Playback
VCR
CD Player
Board
Members
Chairman
Speaker
Tape Deck
Recording
VCR
Video
Camera
SPM412e
autoONE
Controller
MAIN LEVEL
SPM412e Controller
CHANNEL SELECT
1
2
3
4
max
min
MUTE
1) Connect Zone Output to the input of a teleconferencing
system. This allows interactive meetings, training seminars, and
presentations to be fed to remote locations.
2) Connect Main Output to the inputs of the amplifier driving
the boardroom speakers. A separate tap from Main Output can
be used to feed the audio inputs of a VCR, when recording
training seminars or presentations for future viewing. A
distribution amplifier, such as a BIAMP DA28R, may be
desired for multiple isolated feeds.
3) Connect an automatic or mic/line mixer, such as a BIAMP
autoONE or 801 to the Mic/Line Input. Connect a wire across
the ‘Mute’ & ‘Signal Present’ terminals for voice-activated
muting.
4) Connect the stereo line-level program sources to Inputs 1~4,
and adjust Level 1~4 (reduce level only on inputs which are
higher than the others).
5) Adjust Main Level, Zone Level, and Limit Threshold for
desired maximum levels.
6) Set microphone mixer output level. Set Trim & Pad so the
+10 indicator flashes only on occasional peaks. Adjust Mic
Level for desired overall microphone levels.
7) Connect an optional Controller to the Remote terminals.
Mount the Controller in a location to accept push-button and/or
infrared commands.

Other manuals for Biamp SPM412e

Related product manuals