EasyManua.ls Logo

Biamp SPM412e - System Architecture; SPM412 e Block Diagram

Biamp SPM412e
19 pages
Print Icon
To Next Page IconTo Next Page
To Next Page IconTo Next Page
To Previous Page IconTo Previous Page
To Previous Page IconTo Previous Page
Loading...
10
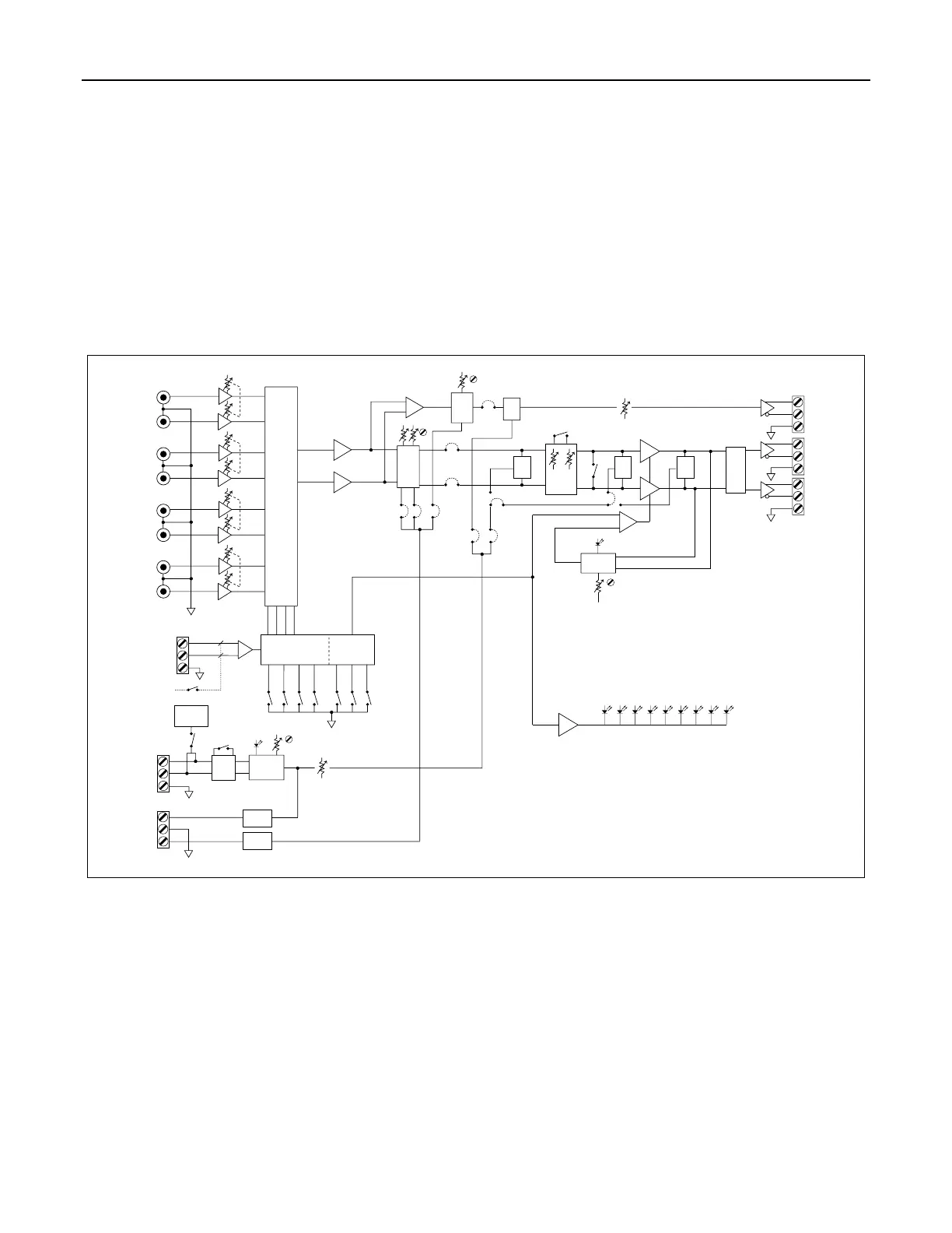
BLOCK DIAGRAM
SPM412e Block Diagram
1
Level
Control
Logic
Bal
VCA
Limit
Σ
Σ
Σ
Σ
Max
L
R
MAIN
OUTPUT
ZONE
OUTPUT
VCA
Mono/
Stereo
Treble
& Bass
Mic
Mute
Mute
Switch
Matrix
2
3
4
1
REMOTE
+24V
Phantom
Power
Mic/Line
Preamp
Signal
Present
Mute
Logic
IR2 / high
IR3 / low
Threshold
STEREO
LINE
INPUTS
1~4
MIC/LINE
INPUT
GND
R
L
R
L
R
L
-
+
signal present
mute
Mic
Level
2 3 4
Trim
+10
Main Level
Reference
Meter
-
+
-
+
-
+
Zone
Level
Mic Mic
R
L
30dB
Pad
Channel
Select
Logic
up
down
mute
Tone
Defeat
Mic
Min
translator

Other manuals for Biamp SPM412e

Related product manuals