EasyManua.ls Logo

BIRO 3334 - Parts Diagrams

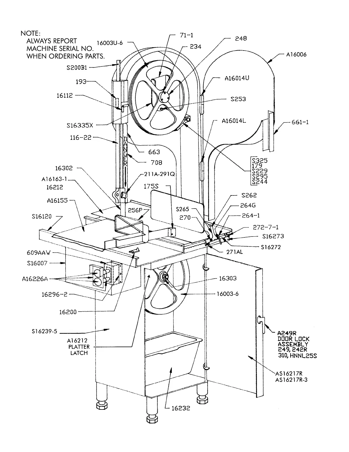
BIRO 3334
44 pages
Print Icon
To Next Page IconTo Next Page
To Next Page IconTo Next Page
To Previous Page IconTo Previous Page
To Previous Page IconTo Previous Page
Loading...
14

Related product manuals