EasyManua.ls Logo

Bitzer CSH 75 - Page 36

Bitzer CSH 75
40 pages
Print Icon
To Next Page IconTo Next Page
To Next Page IconTo Next Page
To Previous Page IconTo Previous Page
To Previous Page IconTo Previous Page
Loading...
5
/8-18 UNF
5
9
4
1
/8-27 NPTF
1
2
1
1/8-18 UNEF
8
1
1/8-18 UNEF
30
5
59
8
712
116
60
60
695
1
/4-18 NPTF
6
305
645
1540
16
161
585
2
0
1
80
400
465
362
1
7
1
46
683
105
S
L
DL
4
0
311
692
3
5
5
6
26
1/8-27 NPTF
3 (LP)
1/8-27 NPTF
1 (HP)
25
1/8-27 NPTF
2 (HP)
M10x1,5
14
455185
28 (1 1/8
")
13
1/8-27 NPTF 2x M26x1,5
(Adaptor connection:
2x 22 / 7/8
")
10 11
15
M22x1,5
(Valve connection:
12 / 1/2
")
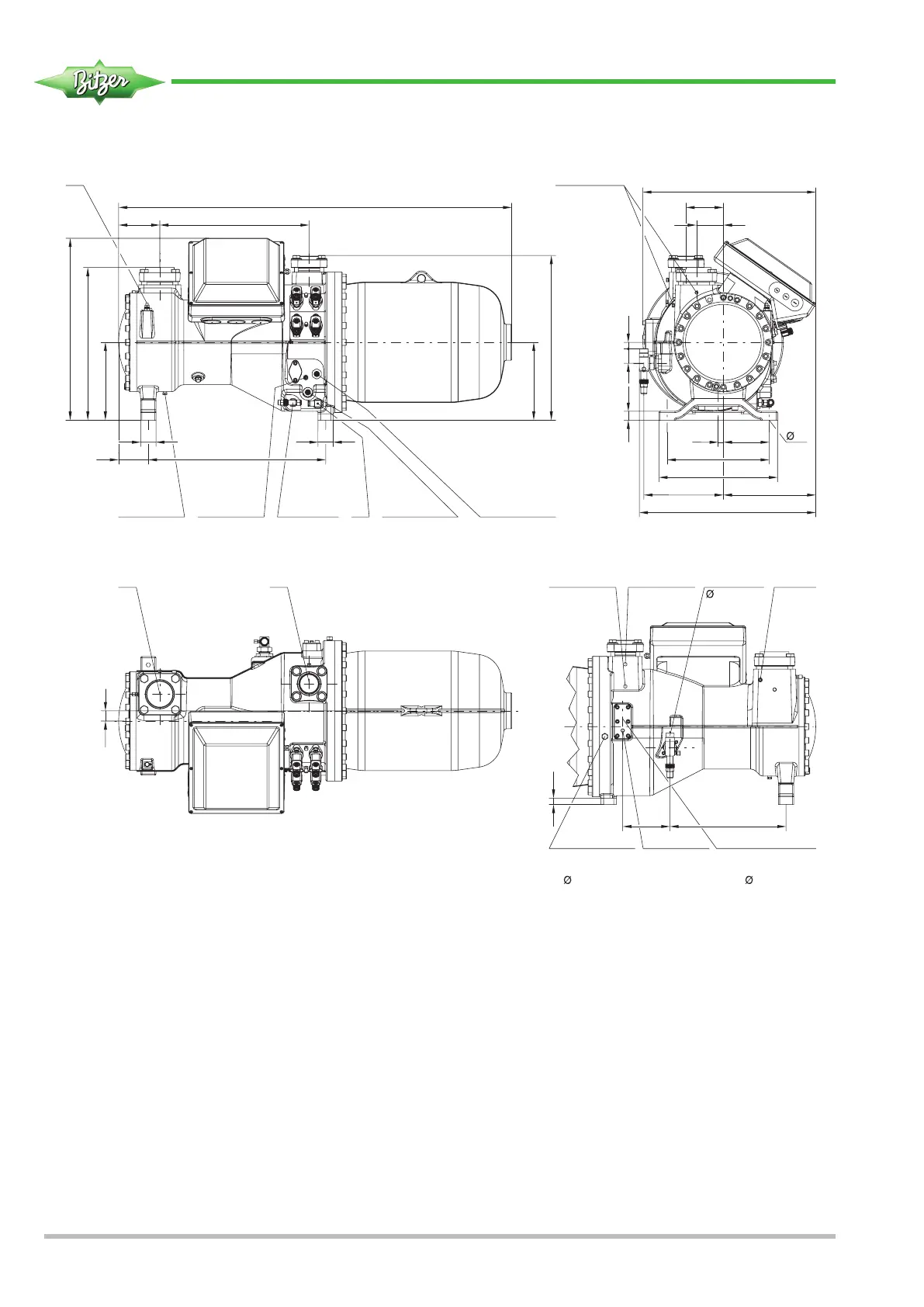
Croquis cotésDimensional drawingsMaßzeichnungen
CSH85
Anschlusspositionen siehe Seite 38 Connection positions see page 38 Position des raccords voir page 38
Darstellung mit optionalem ECO-Absperrventil
(Position 13)
Drawing with optional ECO shut-off valve
(position 13)
Représentation avec vanne d'arrêt d'ECO optionale
(position 13)
36
SP-171-3

Related product manuals