EasyManua.ls Logo

Bitzer CSH 75 - Page 37

Bitzer CSH 75
40 pages
Print Icon
To Next Page IconTo Next Page
To Next Page IconTo Next Page
To Previous Page IconTo Previous Page
To Previous Page IconTo Previous Page
Loading...
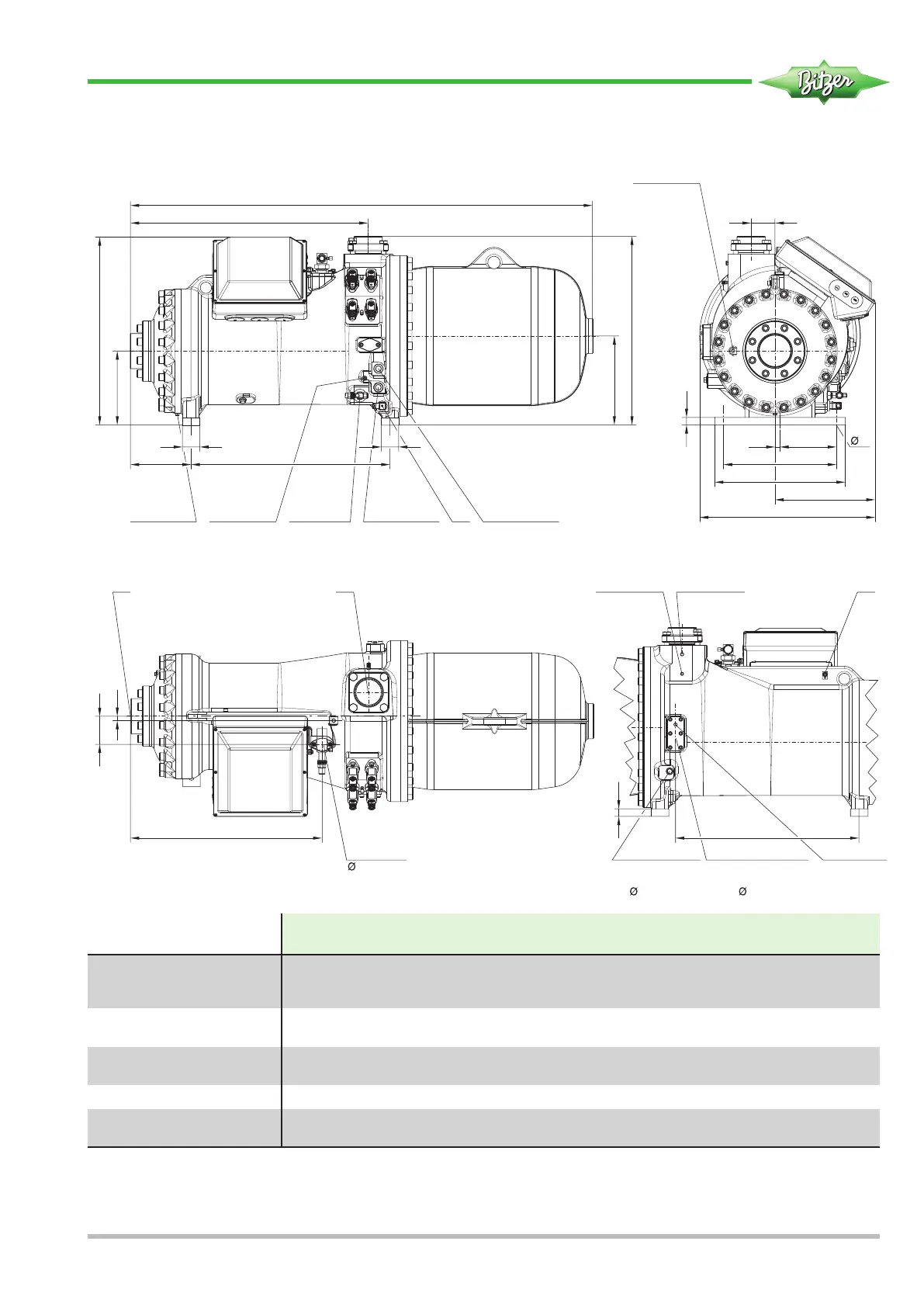
Croquis cotésDimensional drawingsMaßzeichnungen
CSH95
Anschlusspositionen siehe Seite 38 Connection positions see page 38 Position des raccords voir page 38
Darstellung mit optionalem ECO-Absperrventil
(Position 13)
Drawing with optional ECO shut-off valve
(position 13)
Représentation avec vanne d'arrêt d'ECO optionale
(position 13)
A
mm
1824
1842
1869
1955
1975
B
mm
699
699
699
756
756
C
mm
749
749
749
821
821
D
mm
224
242
269
269
289
F
mm
399
399
399
456
456
I
mm
745
764
791
791
810
J
mm
929
948
975
975
995
L
mm
742
752
752
758
758
M
mm
106
113
113
113
113
CSH9553
CSH9563
CSH9573
CSH9583-210Y
CSH9593-240Y
CSH9583-280(Y)
CSH9593-300(Y)
CSH95103-280Y
CSH95103-320(Y)
CSH95113-320Y
37
SP-171-3

Related product manuals